h1_key

TI(德州仪器) TPS80010
德州仪器 (TI) 全系列产品在线购买
  • TI(德州仪器) TPS80010
  • TI(德州仪器) TPS80010
  • TI(德州仪器) TPS80010
  • TI(德州仪器) TPS80010
  • TI(德州仪器) TPS80010
  • TI(德州仪器) TPS80010
立即查看
您当前的位置: 首页 > 电源管理 > 多通道 IC (PMIC) > TPS80010
TPS80010

TPS80010

正在供货

适用于无线配件、具有电池监控器开关的电源管理 IC (PMIC)

产品详情
  • 说明
  • 特性
  • 参数
  • 封装 | 引脚 | 尺寸

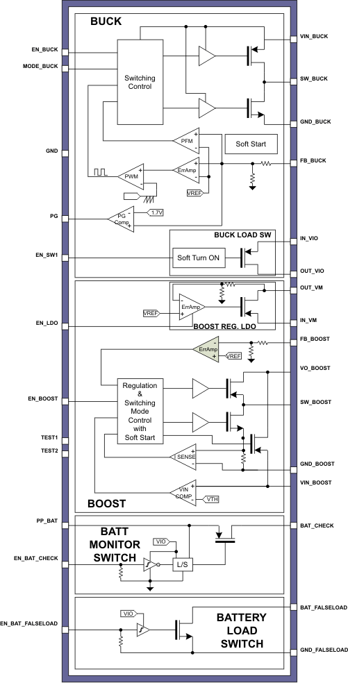
The TPS80010 device provides an integrated power-management solution for 2-cell alkaline battery applications such as wireless mice, keyboards, and video game controllers. The VBUCK 1.8-V output is powered by a buck converter with a load capacity of 100 mA. A Power Good (PG) signal is generated when VBUCK is greater than 90% of its target output voltage. Integrated in the TPS80010 is an 80-mΩ load switch that can be connected to the VBUCK output, allowing more system design flexibility when connecting to multiple loads. The 3.1-V VBOOST output is powered by a boost converter. The VBOOST output voltage is post-regulated by the integrated 3-V LDO. This post-regulation provides a low-noise supply level through the specified battery range.

  • 1.8-V Buck DC-DC Converter
  • 3.1-V Boost DC-DC Converter with 3-V Post-Regulation LDO
  • Over 91% Conversion Efficiency
  • Current-Limited Start-Up for Both DC-DC Converters
  • Load Switch With Current-Limited Turnon
  • Battery-Level Monitor Switch
  • 32-Pin, 4-mm × 4-mm × 1-mm VQFN Package
  • ESD Performance Tested per JESD 22
    • 2000-V Human-Body Model
      (A114-B, Class II)
    • 500-V Charged-Device Model (C101)
Regulated outputs (#)2
ConfigurabilityFactory programmable
Vin (min) (V)1.8
Vin (max) (V)3.6
Iout (max) (A)0.1
FeaturesPower good
Step-up DC/DC converter1
Step-down DC/DC converter1
Step-down DC/DC controller0
Step-up DC/DC controller0
LDO0
Iq (typ) (mA)0.0235
RatingCatalog
Switching frequency (max) (kHz)2500
Operating temperature range (°C)-40 to 85
Shutdown current (ISD) (typ) (µA)0.1
Switching frequency (typ) (kHz)2250
VQFN (RSM)3216 mm² 4 x 4
产品购买
  • 商品型号
  • 封装
  • 工作温度
  • 包装
  • 价格
  • 现货库存
  • 操作
10s
温馨提示:
订单商品问题请移至我的售后服务提交售后申请,其他需投诉问题可移至我的投诉提交,我们将在第一时间给您答复
返回顶部