h1_key

TI(德州仪器) TPS61185
德州仪器 (TI) 全系列产品在线购买
  • TI(德州仪器) TPS61185
  • TI(德州仪器) TPS61185
  • TI(德州仪器) TPS61185
  • TI(德州仪器) TPS61185
  • TI(德州仪器) TPS61185
  • TI(德州仪器) TPS61185
立即查看
您当前的位置: 首页 > 电源管理 > LED 驱动器 > 背光 LED 驱动器 > TPS61185
TPS61185

TPS61185

正在供货

适用于笔记本电脑、具有 PWM 控制接口的 2A WLED 驱动器

产品详情
  • 说明
  • 特性
  • 参数
  • 封装 | 引脚 | 尺寸

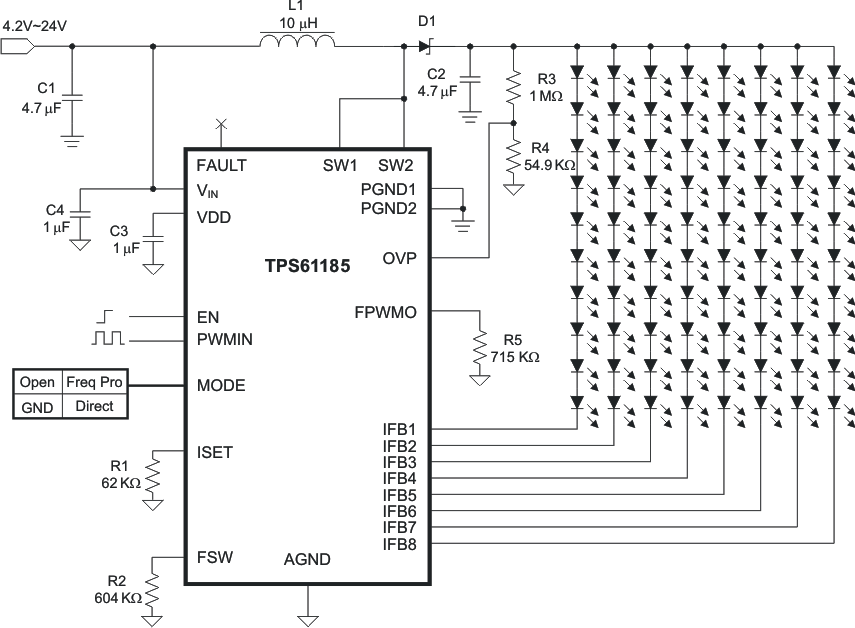
The TPS61185 IC provides highly integrated solutions for large-size LCD backlighting. This device has a built-in high efficiency boost regulator with integrated 2 A/40 V power MOSFET. The eight current sink regulators provide high precision current regulation and matching. In total, the device can support up to 80 LEDs. In addition, the boost output automatically adjusts its voltage to the WLED forward voltage to improve efficiency.

The TPS61185 supports the PWM method for brightness dimming. Simply tie the unused current sinks to ground if fewer than eight are needed. During PWM dimming, each of the eight current regulators is turned on/off at the duty cycle determined by an external pulse width modulation (PWM) signal input to the PWM pin. The frequency at which each current regulator turns on/off follows the input PWM signal on the PWMIN pin if the MODE pin is grounded. If the MODE pin is left floating or tied high, the regulators turn on/off at the frequency programmed by an external resistor on the FPWMO pin.

The TPS61185 IC supports boost switch frequency programming from 600kHz to 2MHz by an external resistor on the FSW pin. The device also provides a driver output for an optional external PFET connected between the input and inductor for truly disconnecting the battery from LED during the shutdown or fault protection. The device integrates resistor programmable over-voltage protection, soft-start, and thermal shutdown.

The TPS61185 IC has a built-in linear regulator to power the internal circuits of the IC. The device is in a 4 mm × 4 mm QFN package.

  • 4.2 V to 24 V Input Voltage
  • Integrated 2 A/40 V MOSFET
  • 600 kHz to 2 MHz Programmable Switching Frequency
  • Adaptive Boost Output for Best Efficiency
  • Design to Use Small L-C Components
  • Integrated Loop Compensation
  • Eight 25 mA Current Sinks
  • Up to 10 WLED in Series
  • 1% Current Matching and Accuracy
  • PWM Brightness Interface Control
  • 200 mV Ripple Under PWM Dimming
  • Driver for Input/Output Isolation PFET
  • Programmable Over Voltage Threshold
  • 100 Hz to 5 kHz Programmable PWM Dimming Frequency
  • Up to 20 kHz Direct PWM Dimming Frequency
  • Enhanced Electrostatic Discharge Immunity Level
  • Built-in WLED Open/Short Protection
  • Over Temperature Protection
  • 24 Pin 4 mm × 4 mm QFN Package
  • APPLICATIONS
    • Notebook LCD Display Backlight

Number of channels8
Vin (min) (V)4.2
Vin (max) (V)24
Vout (min) (V)5
Vout (max) (V)40
TypeInductive
Switching frequency (max) (kHz)2000
Duty cycle (max) (%)94
LED current per channel (mA)25
Peak efficiency (%)90
TopologyBoost
FeaturesLoad Disconnect During Shutdown
Operating temperature range (°C)-40 to 85
RatingCatalog
VQFN (RGE)2416 mm² 4 x 4
产品购买
  • 商品型号
  • 封装
  • 工作温度
  • 包装
  • 价格
  • 现货库存
  • 操作
10s
温馨提示:
订单商品问题请移至我的售后服务提交售后申请,其他需投诉问题可移至我的投诉提交,我们将在第一时间给您答复
返回顶部