h1_key

TI(德州仪器) TLC5940-EP
德州仪器 (TI) 全系列产品在线购买
  • TI(德州仪器) TLC5940-EP
  • TI(德州仪器) TLC5940-EP
  • TI(德州仪器) TLC5940-EP
  • TI(德州仪器) TLC5940-EP
  • TI(德州仪器) TLC5940-EP
  • TI(德州仪器) TLC5940-EP
立即查看
您当前的位置: 首页 > 电源管理 > LED 驱动器 > RGB LED 驱动器 > TLC5940-EP
TLC5940-EP

TLC5940-EP

正在供货

具有像点校正与灰度 PWM 控制的 16 通道 LED 驱动器(增强型产品)

产品详情
  • 说明
  • 特性
  • 参数
  • 封装 | 引脚 | 尺寸

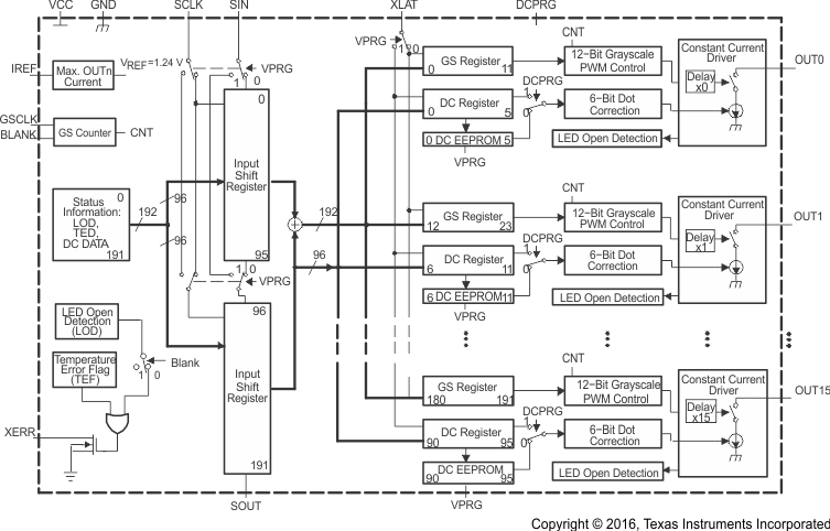
The TLC5940-EP is a 16-channel, constant-current sink LED driver. Each channel has an individually adjustable 4096-step grayscale PWM brightness control and a 64-step, constant-current sink (dot correction). The dot correction adjusts the brightness variations between LED channels and other LED drivers. The dot correction data is stored in an integrated EEPROM. Both grayscale control and dot correction are accessible via a serial interface. A single external resistor sets the maximum current value of all 16 channels.

The TLC5940-EP features two error information circuits. The LED open detection (LOD) indicates a broken or disconnected LED at an output terminal. The thermal error flag (TEF) indicates an overtemperature condition.

  • 16 Channels
  • 12-Bit (4096 Steps) Grayscale PWM Control
  • Dot Correction
    • 6 Bit (64 Steps)
    • Storable in Integrated EEPROM
  • Drive Capability (Constant-Current Sink) of 0 mA to 72 mA (–40°C to 125°C)
    • 0 mA to 60 mA (VCC < 3.6 V, –40°C to 85°C)
    • 0 mA to 120 mA (VCC > 3.6 V, &#ndash;40°C to 85°C)
  • LED Power Supply Voltage up to 17 V
  • VCC = 3 V to 5.5 V
  • Serial Data Interface
  • Controlled In-Rush Current
  • 30-MHz Data Transfer Rate
  • CMOS Level I/O
  • Error Information
    • LOD: LED Open Detection
    • TEF: Thermal Error Flag
  • APPLICATIONS
    • Monocolor, Multicolor, Full-Color LED Displays
    • LED Signboards
    • Display Backlighting
    • General, High-Current LED Drive
    • Supports Defense, Aerospace, and Medical Applications:
      • Controlled Baseline
      • One Assembly/Test Site
      • One Fabrication Site
      • Available in Q-Temp (–40°C/125°C)
      • Extended Product Life Cycle
      • Extended Product-Change Notification
      • Product Traceability

All other trademarks are the property of their respective owners

Number of channels16
LED current per channel (mA)120
Vin (min) (V)3
Vin (max) (V)5.5
FeaturesPWM control, Serial interface
Operating temperature range (°C)-40 to 125
RatingHiRel Enhanced Product
HTSSOP (PWP)2862.08 mm² 9.7 x 6.4
VQFN (RHB)3225 mm² 5 x 5
产品购买
  • 商品型号
  • 封装
  • 工作温度
  • 包装
  • 价格
  • 现货库存
  • 操作
10s
温馨提示:
订单商品问题请移至我的售后服务提交售后申请,其他需投诉问题可移至我的投诉提交,我们将在第一时间给您答复
返回顶部