h1_key

TI(德州仪器) BQ24640
德州仪器 (TI) 全系列产品在线购买
  • TI(德州仪器) BQ24640
  • TI(德州仪器) BQ24640
  • TI(德州仪器) BQ24640
  • TI(德州仪器) BQ24640
  • TI(德州仪器) BQ24640
  • TI(德州仪器) BQ24640
立即查看
您当前的位置: 首页 > 电源管理 > 电池管理 IC > 电池充电器 IC > BQ24640
BQ24640

BQ24640

正在供货

适用于超级电容器的独立 1 至 8 节降压电池充电控制器

产品详情
  • 说明
  • 特性
  • 参数
  • 封装 | 引脚 | 尺寸

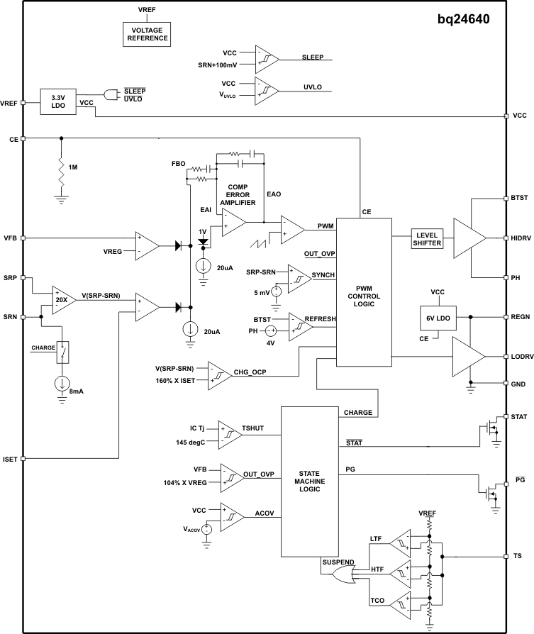
The bq24640 device is a highly integrated switched-mode super capacitor charge controller. The device offers a constant-frequency synchronous PWM controller with high accuracy charge current, voltage regulation, and charge status monitoring.

The bq24640 charges a super capacitor in two phases: constant current and constant voltage (CC/CV). The device can charge super capacitors from 0 V with current set on the ISET pin. When the super capacitor voltage reaches the programmed target voltage, charge current begins tapering down.

The bq24640 enters a low-current sleep mode
(<15 µA) when the input voltage falls below the output capacitor voltage.

The bq24640 has an input CE pin to enable and disable charge, and the STAT and PG output pins report charge and adapter status. The TS pin on the bq24640 monitors the temperature of the capacitor and suspends charge during hot and cold conditions.

  • Charge Super Capacitor Pack From 2.1 V to 26 V
  • CC/CV Charge Profile From 0 V Without
    Precharge
  • 600-kHz NMOS-NMOS Synchronous Buck
    Controller
  • Over 90% Efficiency for up to 10-A Charge
    Current
  • 5-V to 28-V VCC Input Voltage Range
  • Accuracy
    • ±0.5% Charge Voltage Regulation
    • ±3% Charge Current Regulation
  • High Integration
    • Internal Loop Compensation
    • Internal Digital Soft Start
  • Safety
    • Input Overvoltage Protection
    • Capacitor Temperature Sensing Hot and Cold
      Charge Suspend
    • Thermal Shutdown
  • Status Outputs
    • Adapter Present
    • Charger Operation Status
  • Charge Enable Pin
  • 30-ns Driver Dead Time and 99.5% Maximum
    Effective Duty Cycle
  • Automatic Sleep Mode for Low Power
    Consumption
    • <15-µA Off-State Super Capacitor Discharge
      Current
    • <1.5-mA Off-State Input Quiescent Current
  • APPLICATIONS
    • Memory Backup Systems
    • Industrial UPS Systems and Power Transient Buffering
    • Bridge Power to Buffer the Battery

All other trademarks are the property of their respective owners

Number of series cells1, 2, 3, 4, 5, 6, 7, 8
Charge current (max) (A)10
Vin (max) (V)28
Cell chemistrySuperCap
Battery charge voltage (min) (V)2.1
Battery charge voltage (max) (V)26
Absolute max Vin (max) (V)33
Control topologySwitch-Mode Buck
Control interfaceStandalone (RC-Settable)
FeaturesBAT temp thermistor monitoring (hot/cold profile)
Vin (min) (V)5
RatingCatalog
Operating temperature range (°C)-40 to 85
VQFN (RVA)1612.25 mm² 3.5 x 3.5
产品购买
  • 商品型号
  • 封装
  • 工作温度
  • 包装
  • 价格
  • 现货库存
  • 操作
10s
温馨提示:
订单商品问题请移至我的售后服务提交售后申请,其他需投诉问题可移至我的投诉提交,我们将在第一时间给您答复
返回顶部