h1_key

TI(德州仪器) CSD17309Q3
德州仪器 (TI) 全系列产品在线购买
  • TI(德州仪器) CSD17309Q3
  • TI(德州仪器) CSD17309Q3
  • TI(德州仪器) CSD17309Q3
  • TI(德州仪器) CSD17309Q3
  • TI(德州仪器) CSD17309Q3
  • TI(德州仪器) CSD17309Q3
立即查看
您当前的位置: 首页 > 电源管理 > MOSFET > N 沟道 MOSFET > CSD17309Q3
CSD17309Q3

CSD17309Q3

正在供货

采用 3mm x 3mm SON 封装的单路、6.3mΩ、30V、N 沟道 NexFET™ 功率 MOSFET

产品详情
  • 说明
  • 特性
  • 参数
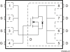
  • 封装 | 引脚 | 尺寸

This 30 V, 4.2 mΩ NexFET™ power MOSFET is designed to minimize losses in power conversion applications and optimized for 5 V gate drive applications.

  • Optimized for 5 V Gate Drive
  • Ultra-Low Qg and Qgd
  • Low Thermal Resistance
  • Avalanche Rated
  • Pb Free Terminal Plating
  • RoHS Compliant
  • Halogen Free
  • SON 3.3 mm × 3.3 mm Plastic Package
  • APPLICATIONS
    • Notebook Point of Load
    • Point of Load Synchronous Buck in
      Networking, Telecom, and Computing
      Systems

NexFET Is a trademark of Texas Instruments

VDS (V)30
ConfigurationSingle
Rds(on) at VGS=4.5 V (max) (mΩ)6.3
IDM - pulsed drain current (max) (A)112
QG (typ) (nC)7.5
QGD (typ) (nC)1.7
QGS (typ) (nC)2.5
VGS (V)10
VGSTH typ (typ) (V)1.2
ID - silicon limited at TC=25°C (A)60
ID - package limited (A)60
Logic levelYes
Operating temperature range (°C)-55 to 150
RatingCatalog
VSON-CLIP (DQG)810.89 mm² 3.3 x 3.3
产品购买
  • 商品型号
  • 封装
  • 工作温度
  • 包装
  • 价格
  • 现货库存
  • 操作
10s
温馨提示:
订单商品问题请移至我的售后服务提交售后申请,其他需投诉问题可移至我的投诉提交,我们将在第一时间给您答复
返回顶部