h1_key

TI(德州仪器) TPS73801
德州仪器 (TI) 全系列产品在线购买
  • TI(德州仪器) TPS73801
  • TI(德州仪器) TPS73801
  • TI(德州仪器) TPS73801
  • TI(德州仪器) TPS73801
  • TI(德州仪器) TPS73801
  • TI(德州仪器) TPS73801
立即查看
您当前的位置: 首页 > 电源管理 > 线性和低压降 (LDO) 稳压器 > TPS73801
TPS73801

TPS73801

正在供货

具有反向电流和电压保护功能的 1A、20V、可调节低压降稳压器

产品详情
  • 说明
  • 特性
  • 参数
  • 封装 | 引脚 | 尺寸

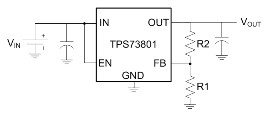
The TPS73801 is a low-dropout (LDO) regulator optimized for fast transient response. The device can supply 1.0 A of output current with a dropout voltage of 300 mV. Operating quiescent current is 1 mA, dropping to less than 1 µA in shutdown. Quiescent current is well controlled; it does not rise in dropout as it does with many other regulators. In addition to fast transient response, the TPS73801 regulators have very low output noise, which makes them ideal for sensitive RF supply applications.

Output voltage range is from 1.21 to 20 V. The TPS73801 regulators are stable with output capacitors as low as 10 µF. Small ceramic capacitors can be used without the necessary addition of ESR, as is common with other regulators. Internal protection circuitry includes reverse-battery protection, current limiting, thermal limiting, and reverse-current protection. The devices are available as an adjustable device with a 1.21-V reference voltage. The TPS73801 regulators are available in the 6-pin TO-223 (DCQ) packages.

  • Optimized for Fast Transient Response
  • Output Current: 1.0 A
  • Dropout Voltage: 300 mV
  • Low Noise: 45 µVRMS (10 Hz to 100 kHz)
  • 1-mA Quiescent Current
  • No Protection Diodes Needed
  • Controlled Quiescent Current in Dropout
  • Adjustable Output Voltage: 1.21 to 20 V
  • Less Than 1-µA Quiescent Current in Shutdown
  • Stable With 10-µF Output Capacitor
  • Stable With Ceramic Capacitors
  • Reverse-Battery Protection
  • No Reverse Current
  • Thermal Limiting
Output optionsAdjustable Output
Iout (max) (A)1
Vin (max) (V)20
Vin (min) (V)2.2
Vout (max) (V)20
Vout (min) (V)1.2
Noise (µVrms)45
Iq (typ) (mA)1
Thermal resistance θJA (°C/W)51
RatingCatalog
Load capacitance (min) (µF)10
Regulated outputs (#)1
FeaturesEnable, Reverse Current Protection, Reverse voltage protection
Accuracy (%)3
PSRR at 100 KHz (dB)45
Dropout voltage (Vdo) (typ) (mV)300
Operating temperature range (°C)-40 to 125
SOT-223 (DCQ)645.89 mm² 6.5 x 7.06
产品购买
  • 商品型号
  • 封装
  • 工作温度
  • 包装
  • 价格
  • 现货库存
  • 操作
10s
温馨提示:
订单商品问题请移至我的售后服务提交售后申请,其他需投诉问题可移至我的投诉提交,我们将在第一时间给您答复
返回顶部