h1_key

TI(德州仪器) BQ24600
德州仪器 (TI) 全系列产品在线购买
  • TI(德州仪器) BQ24600
  • TI(德州仪器) BQ24600
  • TI(德州仪器) BQ24600
  • TI(德州仪器) BQ24600
  • TI(德州仪器) BQ24600
  • TI(德州仪器) BQ24600
立即查看
您当前的位置: 首页 > 电源管理 > 电池管理 IC > 电池充电器 IC > BQ24600
BQ24600

BQ24600

正在供货

独立 1 至 6 节降压电池充电控制器

产品详情
  • 说明
  • 特性
  • 参数
  • 封装 | 引脚 | 尺寸

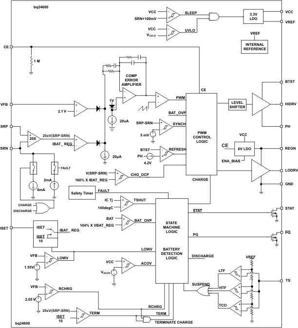
The bq24600 is a highly integrated Li-ion or Li-polymer switch-mode battery-charge controller. It offers a constant-frequency synchronous PWM controller with high-accuracy charge current and voltage regulation, charge preconditioning, termination, and charge status monitoring,

The bq24600 charges the battery in three phases: preconditioning, constant current, and constant voltage. Charge is terminated when the current reaches a minimum level. An internal charge timer provides a safety backup. The bq24600 automatically restarts the charge cycle if the battery voltage falls below an internal threshold, and enters a low-quiescent-current sleep mode when the input voltage falls below the battery voltage.

  • 1.2-MHz NMOS-NMOS Synchronous Buck Converter
  • Stand-Alone Charger Support for Li-Ion or Li-Polymer
  • 5-V – 28-V VCC Input Voltage Range and Supports
    1S-6S Battery Cells
  • Up to 10-A Charge Current and Adapter Current
  • High-Accuracy Voltage and Current Regulation
    • ±0.5% Charge-Voltage Accuracy
    • ±3% Charge-Current Accuracy
  • Integration
    • Internal Loop Compensation
    • Internal Soft Start
  • Safety
    • Input Overvoltage Protection
    • Battery Thermistor Sense Hot/Cold Charge Suspend
    • Battery Detection
    • Built-In Safety Timer
    • Charge Overcurrent Protection
    • Battery Short Protection
    • Battery Overvoltage Protection
    • Thermal Shutdown
  • Status Outputs
    • Adapter Present
    • Charger Operation Status
  • Charge Enable Pin
  • 6-V Gate Drive for Synchronous Power Converter
  • 30-ns Driver Dead-Time and 99.5% Max. Effective Duty Cycle
  • 16-Pin 3.5-mm × 3.5-mm QFN package
  • Energy Star Low Quiescent Current Iq
    • < 15-µA Off-State Battery Discharge Current
    • < 1.5-mA Off-State Input Quiescent Current
Number of series cells1, 2, 3, 4, 5, 6
Charge current (max) (A)10
Vin (max) (V)28
Cell chemistryLi-Ion/Li-Polymer
Battery charge voltage (min) (V)2.1
Battery charge voltage (max) (V)26
Absolute max Vin (max) (V)33
Control topologySwitch-Mode Buck
Control interfaceStandalone (RC-Settable)
FeaturesBAT temp thermistor monitoring (hot/cold profile), Power Path
Vin (min) (V)5
RatingCatalog
Operating temperature range (°C)-40 to 85
VQFN (RVA)1612.25 mm² 3.5 x 3.5
产品购买
  • 商品型号
  • 封装
  • 工作温度
  • 包装
  • 价格
  • 现货库存
  • 操作
10s
温馨提示:
订单商品问题请移至我的售后服务提交售后申请,其他需投诉问题可移至我的投诉提交,我们将在第一时间给您答复
返回顶部