h1_key

TI(德州仪器) CSD16415Q5
德州仪器 (TI) 全系列产品在线购买
  • TI(德州仪器) CSD16415Q5
  • TI(德州仪器) CSD16415Q5
  • TI(德州仪器) CSD16415Q5
  • TI(德州仪器) CSD16415Q5
  • TI(德州仪器) CSD16415Q5
  • TI(德州仪器) CSD16415Q5
立即查看
您当前的位置: 首页 > 电源管理 > MOSFET > N 沟道 MOSFET > CSD16415Q5
CSD16415Q5

CSD16415Q5

正在供货

采用 5mm x 6mm SON 封装的单路、1.8mΩ、25V、N 沟道 NexFET™ 功率 MOSFET

产品详情
  • 说明
  • 特性
  • 参数
  • 封装 | 引脚 | 尺寸

此 NexFET 功率MOSFET已被设计成在功率转换应用中大大降低功率损失。

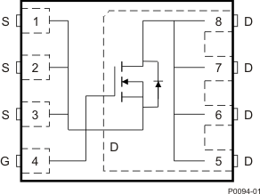
顶视图

  • 超低栅极电荷(Qg)和栅漏电荷(Qgd)
  • 极低接通电阻
  • 低热阻性
  • 额定雪崩能量
  • 无铅端子电镀
  • 符合 RoHS 标准
  • 无卤素
VDS (V)25
ConfigurationSingle
Rds(on) at VGS=4.5 V (max) (mΩ)1.8
Rds(on) at VGS=10 V (max) (mΩ)1.15
IDM - pulsed drain current (max) (A)200
QG (typ) (nC)21
QGD (typ) (nC)5.2
QGS (typ) (nC)8.3
VGS (V)16
VGSTH typ (typ) (V)1.5
ID - silicon limited at TC=25°C (A)261
ID - package limited (A)100
Logic levelYes
Operating temperature range (°C)-55 to 150
RatingCatalog
VSON-CLIP (DQH)830 mm² 6 x 5
产品购买
  • 商品型号
  • 封装
  • 工作温度
  • 包装
  • 价格
  • 现货库存
  • 操作
10s
温馨提示:
订单商品问题请移至我的售后服务提交售后申请,其他需投诉问题可移至我的投诉提交,我们将在第一时间给您答复
返回顶部