h1_key

TI(德州仪器) LM5039
德州仪器 (TI) 全系列产品在线购买
  • TI(德州仪器) LM5039
  • TI(德州仪器) LM5039
  • TI(德州仪器) LM5039
  • TI(德州仪器) LM5039
  • TI(德州仪器) LM5039
  • TI(德州仪器) LM5039
立即查看
您当前的位置: 首页 > 电源管理 > 交流/直流和隔离式直流/直流开关稳压器 > PWM 控制器 > LM5039
LM5039

LM5039

正在供货

具有高级电流限制功能的半桥 PWM 控制器

产品详情
  • 说明
  • 特性
  • 参数
  • 封装 | 引脚 | 尺寸

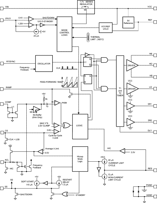
The LM5039 Half-Bridge Controller/Gate Driver contains all of the features necessary to implement half-bridge topology power converters using voltage mode control with line voltage feed-forward. The LM5039 is a functional variant of the LM5035B half-bridge PWM controller, featuring average current limit during an overload event to balance the center-point of the half-bridge capacitor divider. The floating high-side gate driver is capable of operating with supply voltages up to 105V. Both the high-side and low-side gate drivers are capable of 2A peak. An internal high voltage startup regulator is included, along with programmable line undervoltage lockout (UVLO). The oscillator is programmed with a single resistor to frequencies up to 2MHz. The oscillator can also be synchronized to an external clock. A current sense input provides peak cycle-by-cycle and average current limit. Other features include adjustable hiccup mode overload protection, soft-start, revision reference, and thermal shutdown.

  • 105V / 2A Half-Bridge Gate Drivers
  • Synchronous Rectifier Control Outputs with Programmable Delays
  • High Voltage (105V) Start-up Regulator
  • Voltage-mode Control with Line Feed-Forward and Volt • Second Limiting
  • Programmable Average Current Limit Balances the Half-Bridge Capacitor Divider Voltage in an Overload Condition
  • Programmable Hiccup Mode Timer Reduces Power Dissipation During a Continuous Overload Event
  • Adjustable Peak Cycle-by-Cycle Over Current Protection
  • Resistor Programmed, 2MHz Capable Oscillator
  • Patented Oscillator Synchronization
  • Programmable Line Under-Voltage Lockout
  • Internal Thermal Shutdown Protection
  • Adjustable Soft-Start
  • Direct Opto-Coupler Interface
  • 5V Reference Output

Packages

  • HTSSOP-20 (Thermally enhanced)
  • WQFN-24 (4mm x 5mm)

All trademarks are the property of their respective owners.

TopologyHalf bridge
Control modeVoltage
Duty cycle (max) (%)50
Switching frequency (max) (kHz)2000
FeaturesCurrent limiting, High-voltage startup, Multi-topology, Synchronization pin
UVLO thresholds on/off (V)Programmable/1.25V
Operating temperature range (°C)-40 to 125
RatingCatalog
Gate drive (typ) (A)2
Vin (max) (V)15
HTSSOP (PWP)2041.6 mm² 6.5 x 6.4
WQFN (NHZ)2420 mm² 5 x 4
产品购买
  • 商品型号
  • 封装
  • 工作温度
  • 包装
  • 价格
  • 现货库存
  • 操作
10s
温馨提示:
订单商品问题请移至我的售后服务提交售后申请,其他需投诉问题可移至我的投诉提交,我们将在第一时间给您答复
返回顶部