h1_key

TI(德州仪器) LM3421-Q1
德州仪器 (TI) 全系列产品在线购买
  • TI(德州仪器) LM3421-Q1
  • TI(德州仪器) LM3421-Q1
  • TI(德州仪器) LM3421-Q1
  • TI(德州仪器) LM3421-Q1
  • TI(德州仪器) LM3421-Q1
  • TI(德州仪器) LM3421-Q1
立即查看
您当前的位置: 首页 > 电源管理 > LED 驱动器 > 汽车 LED 驱动器 > LM3421-Q1
LM3421-Q1

LM3421-Q1

正在供货

具有串联 DIM FET 驱动器的汽车类 N 沟道恒流 LED 控制器

产品详情
  • 说明
  • 特性
  • 参数
  • 封装 | 引脚 | 尺寸

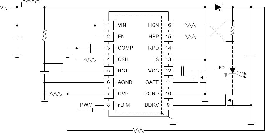
The LM3421-Q1 and LM3423-Q1 family of devices are versatile high voltage N-channel MOSFET controllers for LED drivers. They can be easily configured in buck, boost, buck-boost and SEPIC topologies. This flexibility, along with an input voltage rating of 75 V, makes the these controllers ideal for illuminating LEDs in a large family of applications.

Adjustable high-side current sense voltage allows for tight regulation of the LED current with the highest efficiency possible. The LM3421-Q1 and LM3423-Q1 devices use predictive off-time (PRO) control, which is a combination of peak current-mode control and a predictive off-timer. This method of control eases the design of loop compensation while providing inherent input voltage feed-forward compensation.

The LM3421-Q1 and LM3423-Q1 devices include a high-voltage start-up regulator that operates over a wide input range of 4.5 V to 75 V. The internal PWM controller is designed for adjustable switching frequencies of up to 2 MHz, thus enabling compact solutions.

  • AEC Qualified for Automotive Applications
    • Device Temperature Grade 1: −40°C ≤ TA ≤ 125°C (LM3421-Q1 and LM3423-Q1)
    • Device Temperature Grade 0: −40°C ≤ TA ≤ 150°C (LM3421-Q0 and LM3423-Q0)
  • VIN Range From 4.5 V to 75 V
  • High-Side Adjustable Current Sense
  • 2-Ω, 1-A Peak MOSFET Gate Driver
  • Input Undervoltage and Output Overvoltage Protection
  • PWM and Analog Dimming
  • Cycle-by-Cycle Current Limit
  • Programmable Switching Frequency
  • Zero Current Shutdown and Thermal Shutdown
  • LED Output Status Flag (LM3423-Q1 and LM3423-Q0 Only)
  • Fault Status Flag and Timer(LM3423-Q1 and LM3423-Q0 Only)
Number of channels1
TopologyBoost Controller, Buck-Boost Controller, SEPIC Controller
RatingAutomotive
Operating temperature range (°C)-40 to 150
Vin (min) (V)4.5
Vin (max) (V)75
Vout (min) (V)3
Vout (max) (V)72
Iout (max) (A)5
Iq (typ) (mA)2
Switching frequency (max) (kHz)2000
FeaturesAdjustable Switch Frequency, Enable/Shutdown, Thermal shutdown
HTSSOP (PWP)1632 mm² 5 x 6.4
产品购买
  • 商品型号
  • 封装
  • 工作温度
  • 包装
  • 价格
  • 现货库存
  • 操作
10s
温馨提示:
订单商品问题请移至我的售后服务提交售后申请,其他需投诉问题可移至我的投诉提交,我们将在第一时间给您答复
返回顶部