h1_key

TI(德州仪器) TLC59401
德州仪器 (TI) 全系列产品在线购买
  • TI(德州仪器) TLC59401
  • TI(德州仪器) TLC59401
  • TI(德州仪器) TLC59401
  • TI(德州仪器) TLC59401
  • TI(德州仪器) TLC59401
  • TI(德州仪器) TLC59401
立即查看
您当前的位置: 首页 > 电源管理 > LED 驱动器 > LED 显示驱动器 > TLC59401
TLC59401

TLC59401

正在供货

带有像点修正与灰度 PWM 控制的 16 通道 LED 驱动器

产品详情
  • 说明
  • 特性
  • 参数
  • 封装 | 引脚 | 尺寸

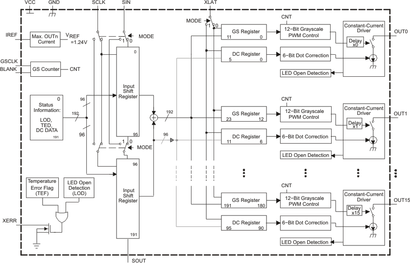
The TLC59401 is a 16-channel, constant-current sink, LED driver. Each channel has an individually adjustable 4096-step grayscale PWM brightness control and a 64-step constant-current sink (dot correction). The dot correction adjusts the brightness variations between LED channels and other LED drivers. Both grayscale control and dot correction are accessible via a serial interface. A single external resistor sets the maximum current value of all 16 channels.

The TLC59401 features two error information circuits. The LED open detection (LOD) indicates a broken or disconnected LED at an output terminal. The thermal error flag (TEF) indicates an over-temperature condition.

  • 16 Channels
  • 12-Bit (4096 Steps) Grayscale PWM Control
  • Dot Correction
    • 6-Bit (64 Steps)
  • Drive Capability (Constant-Current Sink)
    • 0 mA to 80 mA (VCC ≤ 3.6 V)
    • 0 mA to 120 mA (VCC > 3.6 V)
  • LED Power-Supply Voltage up to 17 V
  • VCC = 3.0 V to 5.5 V
  • Serial Data Interface
  • Controlled Inrush Current
  • 30-MHz Data Transfer Rate
  • CMOS Level I/O
  • Error Information
    • LOD: LED Open Detection
    • TEF: Thermal Error Flag
  • APPLICATIONS
    • Monocolor, Multicolor, Full-Color LED Displays
    • LED Signboards
    • Display Back-Lighting

PowerPAD is a trademark of Texas Instruments Incorporated.
All other trademarks are the property of their respective owners.

FeaturesDot Correction, Error Flag, Fault Detection, LED Open Detection, LED Short to Ground Detection, LED Short to VLED Detection, PWM LED Driver, Power good
Analog dimming steps64
Data transfer rate (typ) (MHz)30
Ch to ch accuracy (typ) (±%)1
RatingCatalog
Operating temperature range (°C)-40 to 85
HTSSOP (PWP)2862.08 mm² 9.7 x 6.4
VQFN (RHB)3225 mm² 5 x 5
产品购买
  • 商品型号
  • 封装
  • 工作温度
  • 包装
  • 价格
  • 现货库存
  • 操作
10s
温馨提示:
订单商品问题请移至我的售后服务提交售后申请,其他需投诉问题可移至我的投诉提交,我们将在第一时间给您答复
返回顶部