h1_key

TI(德州仪器) UCD7230A
德州仪器 (TI) 全系列产品在线购买
  • TI(德州仪器) UCD7230A
  • TI(德州仪器) UCD7230A
  • TI(德州仪器) UCD7230A
  • TI(德州仪器) UCD7230A
  • TI(德州仪器) UCD7230A
  • TI(德州仪器) UCD7230A
立即查看
您当前的位置: 首页 > 电源管理 > 数字电源 IC > 数字电源控制驱动器和动力总成模块 > UCD7230A
UCD7230A

UCD7230A

正在供货

15.5V、2MHz、4A 同步降压 MOSFET™ 驱动器,与 UCD92xx 兼容,具有经改进的上电功能

产品详情
  • 说明
  • 特性
  • 参数
  • 封装 | 引脚 | 尺寸

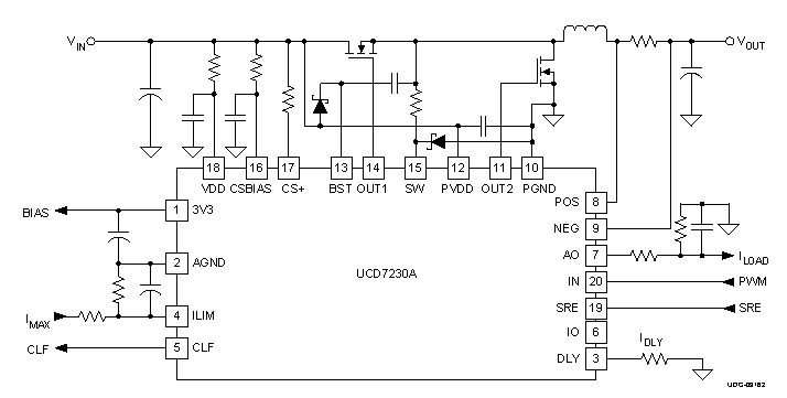
The UCD7230A is one in the UCD7k family of digital control compatible drivers for applications utilizing digital control techniques or applications requiring fast local peak current limit protection.

The UCD7230A is a MOSFET gate driver specifically designed for synchronous buck applications. It is ideally suited to provide the bridge between digital controllers such as the UCD91xx or the UCD92xx and the power stage. With cycle-by-cycle current limit protection, the UCD7230A device protects the power stage from faulty input signals or excessive load currents.

The UCD7230A includes high-side and low-side gate drivers which utilize Texas Instrument’s TrueDrive output architecture. This architecture delivers rated current into the gate capacitance of a MOSFET during the Miller plateau region of the switching. Furthermore, the UCD7230A offers a low offset differential amplifier with a fixed gain of 48. This amplifier greatly simplifies the task of conditioning small current sense signals inherent in high efficiency buck converters.

The UCD7230A includes a 3.3-V, 10-mA linear regulator to provide power to digital controllers such as the UCD91xx. The UCD7230A is compatible with standard 3.3-V I/O ports of the UCD91xx, the TMS320™ family DSPs, microprocessors, or ASICs.

The UCD7230A is offered in the space-saving QFN package. Package pin out has been carefully designed for optimal board layout

  • Input from Digital Controller Sets Operating Frequency and Duty Cycle
  • Up to 2-MHz Switching Frequency
  • Dual Current Limit Protection with Independently Adjustable Thresholds
  • Fast Current Sense Circuit with Adjustable Blanking Interval Prevents Catastrophic Current Levels
  • Digital Output Current Limit Flag
  • Low Offset, Gain of 48, Differential Current Sense Amplifier
  • 3.3-V, 10-mA Internal Regulator
  • Dual TrueDrive™ High-Current Drivers
  • 10-ns Typical Rise/Fall Times with 2.2-nF Loads
  • 4.5-V to 15.5-V Supply Voltage Range
  • APPLICATIONS
    • Digitally-Controlled Synchronous-Buck Power Stages for Single and Multi-Phase Applications
    • Especially Suited for Use with UCD91xx or UCD92xx Contollers
    • High-Current Multi-Phase VRM/EVRD Regulators for Desktop, Server, Telecom and Notebook Processors
    • Digitally-Controlled Synchronous-Buck Power Supplies Using µCs or the TMS320 DSP Family

TrueDrive is a trademark of Texas Instruments.

Supply voltage (min) (V)4.5
Supply voltage (max) (V)15
Number of outputs1
Peak output current (A)4
Input thresholdCMOS, TTL
Propagation delay time (µs)0.03
Driver configurationDual
Operating temperature range (°C)-40 to 105
RatingCatalog
VQFN (RGW)2025 mm² 5 x 5
产品购买
  • 商品型号
  • 封装
  • 工作温度
  • 包装
  • 价格
  • 现货库存
  • 操作

很抱歉,暂时无法提供与“UCD7230A”系列相匹配的产品,您可以联系专属客服快速找货或在现货搜索框中重新搜索。

10s
温馨提示:
订单商品问题请移至我的售后服务提交售后申请,其他需投诉问题可移至我的投诉提交,我们将在第一时间给您答复
返回顶部