h1_key

TI(德州仪器) TPS43331-Q1
德州仪器 (TI) 全系列产品在线购买
  • TI(德州仪器) TPS43331-Q1
  • TI(德州仪器) TPS43331-Q1
  • TI(德州仪器) TPS43331-Q1
  • TI(德州仪器) TPS43331-Q1
  • TI(德州仪器) TPS43331-Q1
  • TI(德州仪器) TPS43331-Q1
立即查看
您当前的位置: 首页 > 电源管理 > 多通道 IC (PMIC) > TPS43331-Q1
TPS43331-Q1

TPS43331-Q1

正在供货

汽车类 5V 至 30V 双通道 LDO 和双通道同步降压控制器

产品详情
  • 说明
  • 特性
  • 参数
  • 封装 | 引脚 | 尺寸

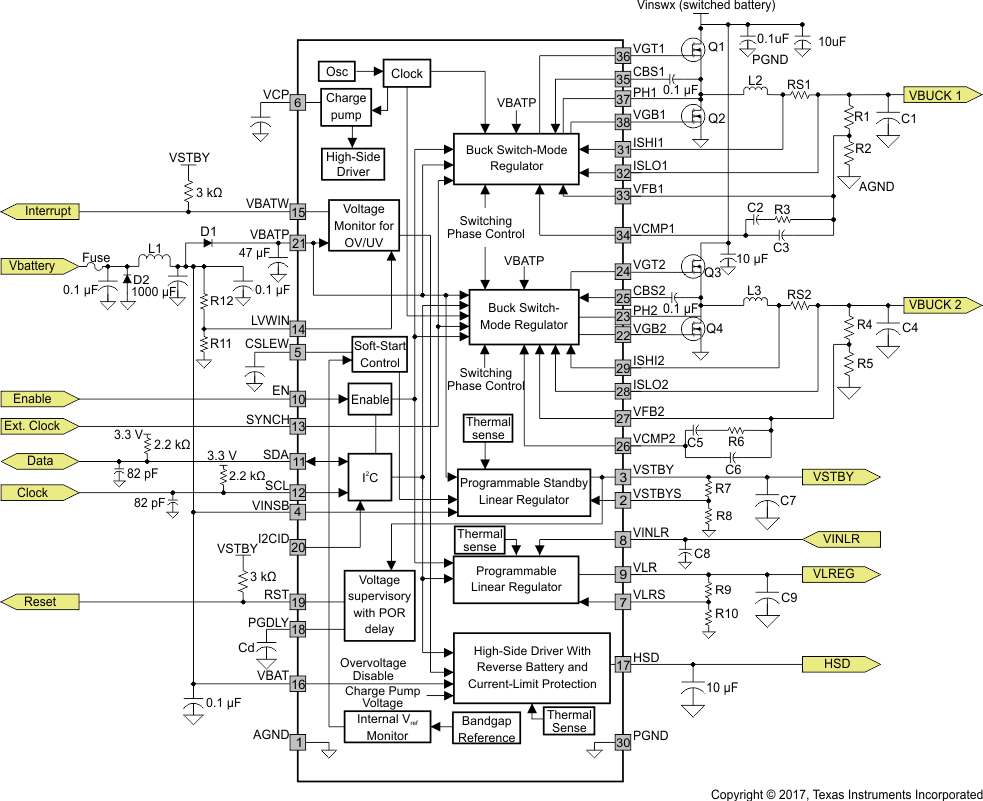
TPS43331-Q1 是一款多轨输出电压稳压器,具有两个同步开关模式控制器和两个线性稳压器。此外,有反向保护高侧开关和电压监控器(用于监控备用稳压器和输入电压)。稳压器输出和高侧开关对有些输入通过离散输入进行控制,而对不受离散输入控制的输出则使用由 I2C 配置的串行接口进行控制。

备用线性稳压器 (VSTBY) 可以承受高电压并且可以直接连接至汽车电池,静态电流通常为 65µA,可保持轻负载下的稳压输出。

  • 符合汽车应用 要求
  • 具有符合 AEC-Q100 标准的下列结果:
    • 器件温度 1 级:-40°C 至 +125°C 的环境运行温度范围
    • 器件 HBM ESD 分类等级 2
  • 输入工作范围为 5V 至 30V (VBAT)
  • 两个可调节输出电压降压开关电压稳压器
  • 外部时钟输入
  • 降压稳压器的软启动控制
  • 可编程线性稳压器 (VSTBY),低静态电流(65µA 典型值)
  • 可编程线性稳压器 (VLR)
  • 过压检测和关断
  • 受保护的高侧驱动输出 (HSD)
  • 备用稳压器的上电复位 (VSTBY)
  • 串行通信,I2C 接口
  • 具有可编程输入阈值的低电压警告检测(LVWIN、VBATW
  • 使能功能,控制 VBUCK 1
  • VSTBY 的可编程电源状态良好指示延迟时间 (PGDLY)
  • 针对所有稳压器和高侧驱动器输出的电流限制和独立热检测及关断保护
  • 热增强型 38 引脚 DAP PowerPAD™封装
Regulated outputs (#)4
ConfigurabilityHardware configurable
Vin (min) (V)5
Vin (max) (V)30
Iout (max) (A)4
FeaturesEnable, I2C control, Power good, Synchronous rectification, Thermal shutdown, UVLO fixed
Step-up DC/DC converter0
Step-down DC/DC converter0
Step-down DC/DC controller2
Step-up DC/DC controller0
LDO2
Iq (typ) (mA)0.065
RatingAutomotive
Switching frequency (max) (kHz)400
Operating temperature range (°C)-40 to 125
Processor supplierGeneric
Processor nameGeneric
HTSSOP (DAP)38101.25 mm² 12.5 x 8.1
产品购买
  • 商品型号
  • 封装
  • 工作温度
  • 包装
  • 价格
  • 现货库存
  • 操作
10s
温馨提示:
订单商品问题请移至我的售后服务提交售后申请,其他需投诉问题可移至我的投诉提交,我们将在第一时间给您答复
返回顶部