h1_key

TI(德州仪器) TPS54290
德州仪器 (TI) 全系列产品在线购买
  • TI(德州仪器) TPS54290
  • TI(德州仪器) TPS54290
  • TI(德州仪器) TPS54290
  • TI(德州仪器) TPS54290
  • TI(德州仪器) TPS54290
  • TI(德州仪器) TPS54290
立即查看
您当前的位置: 首页 > 电源管理 > 直流/直流开关稳压器 > 降压稳压器 > TPS54290
TPS54290

TPS54290

正在供货

4.5V 至 18V 输入、300kHz、1.5/2.5A 双通道同步降压转换器

产品详情
  • 说明
  • 特性
  • 参数
  • 封装 | 引脚 | 尺寸

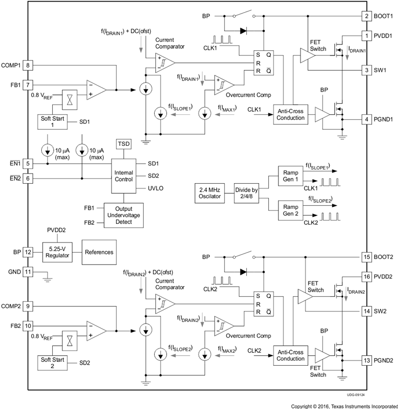
The TPS54290, TPS54291, and TPS54292 devices are dual-output, fully synchronous buck converters capable of supporting applications with a minimal number of external components. It operates from a 4.5-V to 18-V input supply voltage, and supports output voltages as low as 0.8 V and as high as 90% of the input voltage.

Both high-side and low-side MOSFETs are integrated to provide fully synchronous conversion with higher efficiency. Channel 1 can provide up to 1.5 A of continuous current. Meanwhile, Channel 2 supports up to 2.5 A.

Current mode control simplifies the compensation. The external compensation adds flexibility for the user to choose different type of output capacitors.

180° out-of-phase operation reduces the ripple current through the input capacitor, providing the benefit of reducing input capacitance, alleviating EMI and increasing capacitor life.

  • 4.5-V to 18-V Input Range
  • Output Voltage Range 0.8 V to DMAX × VIN
  • Fully Integrated Dual Buck: 1.5 A and 2.5 A
  • Three Fixed Switching Frequency Versions:
    • TPS54290: 300 kHz
    • TPS54291: 600 kHz
    • TPS54292: 1.2 MHz
  • Integrated UVLO
  • 0.8 VREF With 1% Accuracy (0°C to 85°C)
  • Internal Soft Start:
    • TPS54290: 5.2 ms
    • TPS54291: 2.6 ms
    • TPS54292: 1.3 ms
  • Dual PWM Outputs 180° Out-of-Phase
  • Dedicated Enable for Each Channel
  • Current Mode Control for Simplified Compensation
  • External Compensation
  • Pulse-by-Pulse Overcurrent Protection, 2.2-A and 3.8-A Overcurrent Limit
  • Integrated Bootstrap Switch
  • Thermal Shutdown Protection at 145°C
  • 16-Pin PowerPAD™ HTSSOP Package
  • APPLICATIONS
    • Set-Top Boxes
    • Digital TVs
    • Power for DSP
    • Consumer Electronics

All other trademarks are the property of their respective owners

Vin (min) (V)4.5
Vin (max) (V)18
Vout (min) (V)0.8
Vout (max) (V)16.2
Iout (max) (A)2.5
Iq (typ) (mA)1.8
Switching frequency (min) (kHz)300
Switching frequency (max) (kHz)300
FeaturesEnable, Phase Interleaving, Synchronous Rectification
Operating temperature range (°C)-40 to 145
RatingCatalog
Regulated outputs (#)2
Control modecurrent mode
Duty cycle (max) (%)90
TypeConverter
HTSSOP (PWP)1632 mm² 5 x 6.4
产品购买
  • 商品型号
  • 封装
  • 工作温度
  • 包装
  • 价格
  • 现货库存
  • 操作
10s
温馨提示:
订单商品问题请移至我的售后服务提交售后申请,其他需投诉问题可移至我的投诉提交,我们将在第一时间给您答复
返回顶部