h1_key

TI(德州仪器) TPS54318
德州仪器 (TI) 全系列产品在线购买
  • TI(德州仪器) TPS54318
  • TI(德州仪器) TPS54318
  • TI(德州仪器) TPS54318
  • TI(德州仪器) TPS54318
  • TI(德州仪器) TPS54318
  • TI(德州仪器) TPS54318
立即查看
您当前的位置: 首页 > 电源管理 > 直流/直流开关稳压器 > 降压稳压器 > TPS54318
TPS54318

TPS54318

正在供货

2.95V 至 6V 输入、3A 同步降压 SWIFT™ 转换器

产品详情
  • 说明
  • 特性
  • 参数
  • 封装 | 引脚 | 尺寸

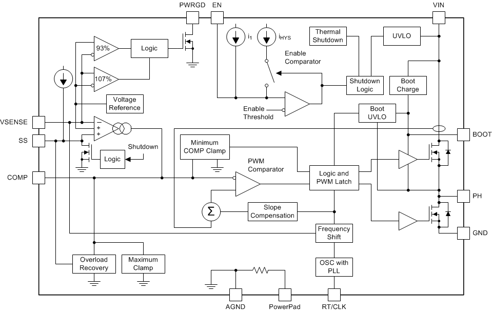
TPS54318 器件一款全功能 6V、3A 同步降压电流模式转换器,具有两个集成的 MOSFET。

TPS54318 器件集成了 MOSFET、通过实施电流模式控制来减少外部组件数量、通过启用高达 2MHz的开关频率来减小电感尺寸,并借助小型 3mm x 3mm 热增强型 QFN 封装尽量减小器件封装尺寸,从而实现小型设计。

TPS54318 器件可在整个温度范围内为多种负载提供电压基准 (VREF) 精度达 ±1% 的精确调节。

通过集成型 30mΩ MOSFET 和典型值为 350µA 的电源电流可使效率得到最大限度提升。通过使用 EN 引脚进入关断模式,关断电源电流可减少至 2µA。

欠压闭锁在内部设定为 2.6V,但可通过使能引脚上的电阻网络设定阈值将之提高。输出电压启动斜坡由软启动引脚控制。一个开漏电源正常信号表示输出处于其标称电压值的 93% 至 107% 之内。频率折返和热关断功能在过流情况下保护器件不受损坏。

要获得更多 SWIFT ™文档,请参见 TI 网站 www.ti.com.cn/swift

  • 两个可在 3A 负载下获得高效率的 30mΩ(典型值)MOSFET
  • 开关频率:200kHz 至 2MHz
  • 整个温度范围内的电压基准:0.8V ± 1%
  • 同步至外部时钟
  • 可调软启动/定序
  • 欠压 (UV) 和过压 (OV) 电源正常输出
  • 低运行和关断静态电流
  • 安全启动至预偏置输出电压
  • 逐周期电流限制、过热和频率折返保护
  • 工作结温范围:-40°C 至 150°C
  • 耐热增强型 3mm x 3mm 16 引脚超薄型四方扁平无引线 (WQFN) 封装
  • 使用 TPS54318 并借助 WEBENCH® 电源设计器创建定制设计方案
Vin (min) (V)2.95
Vin (max) (V)6
Vout (min) (V)0.8
Vout (max) (V)4.5
Iout (max) (A)3
Iq (typ) (mA)0.35
Switching frequency (min) (kHz)200
Switching frequency (max) (kHz)2000
FeaturesEnable, Frequency synchronization, Power good, Pre-Bias Start-Up, Soft Start Adjustable, Synchronous Rectification, UVLO adjustable
Operating temperature range (°C)-40 to 150
RatingCatalog
Regulated outputs (#)1
Control modecurrent mode
Duty cycle (max) (%)98
TypeConverter
WQFN (RTE)169 mm² 3 x 3
产品购买
  • 商品型号
  • 封装
  • 工作温度
  • 包装
  • 价格
  • 现货库存
  • 操作
10s
温馨提示:
订单商品问题请移至我的售后服务提交售后申请,其他需投诉问题可移至我的投诉提交,我们将在第一时间给您答复
返回顶部