h1_key

TI(德州仪器) TPS386040
德州仪器 (TI) 全系列产品在线购买
  • TI(德州仪器) TPS386040
  • TI(德州仪器) TPS386040
  • TI(德州仪器) TPS386040
  • TI(德州仪器) TPS386040
  • TI(德州仪器) TPS386040
  • TI(德州仪器) TPS386040
立即查看
您当前的位置: 首页 > 电源管理 > 监控器和复位 IC > TPS386040
TPS386040

TPS386040

正在供货

具有可编程延迟和看门狗计时器的推挽式、四通道电源电压监控器

产品详情
  • 说明
  • 特性
  • 参数
  • 封装 | 引脚 | 尺寸

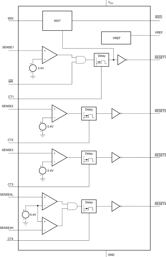
TPS3860x0 系列电源监视器 (SVS) 可以在 0.25%(典型值)的阈值精度下监控 4 个高于 0.4V 的电源轨和 1 个低于 0.4V(包括负电压)的电源轨。当 SENSEm 输入电压下降至编程阈值以下时,4 个监视电路中的每一个 (SVS-n) 都会给出 RESETn 或 RESETn 输出信号。您可以使用外部电阻器对各个 SVS-n 的阈值进行编程(其中 n = 1、2、3、4,m = 1、2、3、4L、4H)。

每个 SVS-n 都具有释放 RESETn 或 RESETn 之前的可编程延迟。您可以通过 CTn 引脚连接独立设置各个 SVS 的延迟时间,允许的取值范围为 1.4ms 至 10s。只有 SVS-1 具有低电平有效手动复位 (MR) 输入;当 MR 得到的是逻辑低电平输入时,会给出 RESET1 或 RESET1。

SVS-4 使用两个比较器来监控阈值窗口。您可以将额外的比较器配置为第五个 SVS,以通过电压基准输出 VREF 来监控负电压。

TPS3860x0 具有 11µA(典型值)的超低静态电流,且采用了小型 4mm x 4mm VQFN-20 封装。

  • 4 个独立的电压监视器
  • 通道 1:
    • 低至 0.4V 的可调节阈值
    • 手动复位 (MR) 输入
  • 通道 2、3:
    • 低至 0.4V 的可调节阈值
  • 通道 4:
    • 任何正或负电压的调节阈值
    • 窗口比较器
  • 可调节复位延迟时间:1.4ms 至 10s
  • 阈值精度:0.25%(典型值)
  • 超低静态电流:11µA(典型值)
  • 具有专用输出的看门狗计时器
  • 可在上电期间很好地控制输出
  • TPS386000:漏极开路 RESETnWDO
  • TPS386040:推挽 RESETnWDO
  • 封装:4mm × 4mm 20 引脚 VQFN
Number of supplies monitored3, 4
Threshold voltage 1 (typ) (V)0.4
FeaturesManual reset capable, Negative voltage monitoring, Separate VDD & sense, Timeout watchdog, Undervoltage and overvoltage monitor, Watchdog timer
Reset threshold accuracy (%)0.5
Iq (typ) (mA)0.011
Output driver type/reset outputActive-low, Push-Pull
Time delay (ms)20, 300
Supply voltage (min) (V)1.8
Supply voltage (max) (V)6.5
RatingCatalog
Watchdog timer WDI (s)0.6
Operating temperature range (°C)-40 to 125
VQFN (RGP)2016 mm² 4 x 4
产品购买
  • 商品型号
  • 封装
  • 工作温度
  • 包装
  • 价格
  • 现货库存
  • 操作
10s
温馨提示:
订单商品问题请移至我的售后服务提交售后申请,其他需投诉问题可移至我的投诉提交,我们将在第一时间给您答复
返回顶部