h1_key

TI(德州仪器) TPS65073
德州仪器 (TI) 全系列产品在线购买
  • TI(德州仪器) TPS65073
  • TI(德州仪器) TPS65073
  • TI(德州仪器) TPS65073
  • TI(德州仪器) TPS65073
  • TI(德州仪器) TPS65073
  • TI(德州仪器) TPS65073
立即查看
您当前的位置: 首页 > 电源管理 > 多通道 IC (PMIC) > TPS65073
TPS65073

TPS65073

正在供货

采用 6mm x 6mm QFN 封装、具有 3 个直流/直流转换器和 2 个 LDO 的 5 通道电源管理 IC (PMIC)

产品详情
  • 说明
  • 特性
  • 参数
  • 封装 | 引脚 | 尺寸

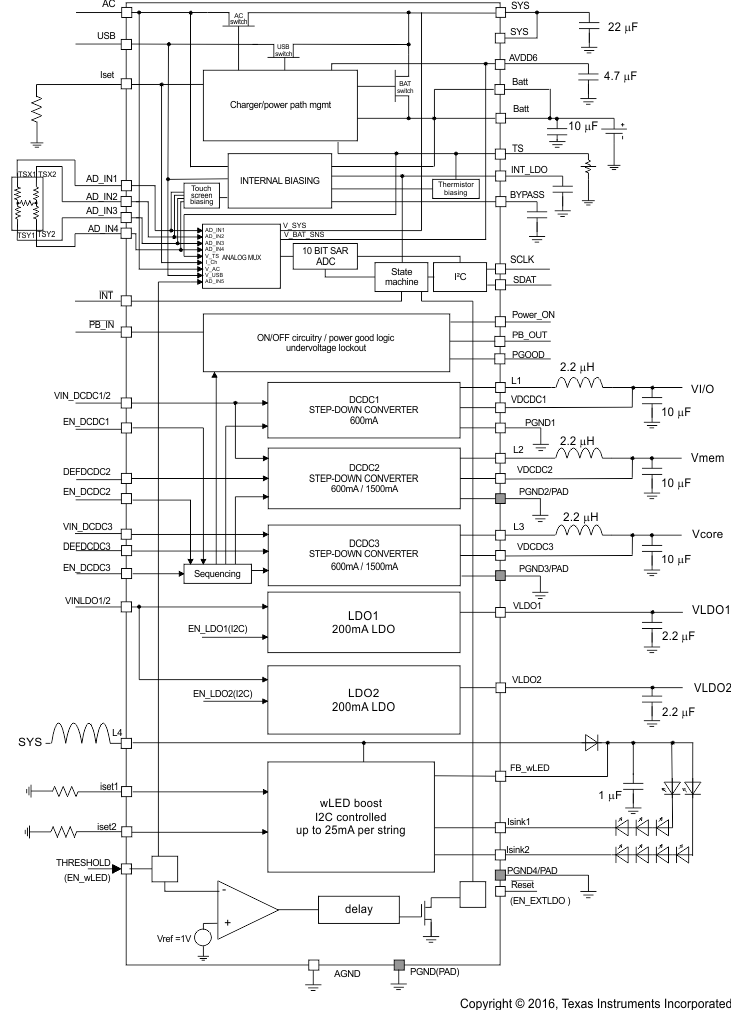
TPS6507x 系列器件属于单芯片电源管理 IC (PMIC),适用于 以下便携式应用: 包含用于单节锂离子电池或锂聚合物电池的具备电源路径管理的电池充电器。该充电器既可由 USB 引脚上的 USB 端口供电,也可由连接到 AC 引脚上的壁式适配器提供的直流电压供电。三个高效 2.25MHz 降压转换器用于为一个基于处理器的系统提供内核电压、存储器和 I/O 电压。为了在最大可能的负载电流范围内实现最大效率,这些降压转换器在轻负载时进入低功耗模式。

对于低噪声 应用 这些器件可通过 I2C 接口强制进入固定频率 PWM。这些降压转换器允许使用小型电感器和电容器,可实现较小的解决方案尺寸。TPS6507x 器件还集成了两个用于实现 200mA 输出电流的通用 LDO。这两个 LDO 不仅可为 SD 卡接口和常开 电压轨供电,还可用于其他用途。每个 LDO 可在 1.8V 至 6.3V 输入电压范围内正常运行,这使得它们可以由其中一个降压转换器供电,也可以由主电池直接供电。具备两个可编程灌电流的感应升压转换器为两个白色 LED 灯串供电。

TPS6507x 器件采用间距为 0.4mm 的 48 引脚封装 (6mm × 6mm VQFN)。

  • 充电器/电源路径管理:
    • 电源路径上的 2A 输出电流
    • 线性充电器;1.5A 最大充电电流
    • USB 输入 100mA/500mA/800mA/1300mA 限流
    • 热调节、安全定时器
    • 温度感测输入
  • 3 个降压转换器:
    • 2.25MHz 固定频率工作
    • 输出电流高达 1.5A
    • 可调节或固定输出电压
    • VIN 范围从 2.8V 至 6.3V
    • 轻负载电流状态下进入节能模式
    • PWM 模式下的输出电压精度为 ±1.5%
    • 每个转换器的静态电流典型值为 19µA
    • 可实现 100% 占空比,以确保最低压降
  • LDO:
    • 固定输出电压
    • LDO2 上的动态电压调节
    • 20µA 静态电流
    • 200mA 最大输出电流
    • VIN 范围从 1.8V 至 6.3V
  • wLED 升压转换器:
    • 使用 I2C 进行内部调光
    • 多达 2 × 10 个 LED
    • 每个灯串高达 25mA,具有内部灌电流
  • I2C 接口
  • 10 位 A/D 转换器
  • 触摸屏界面
  • 低压锁定和电池故障比较器
Regulated outputs (#)5
ConfigurabilityFactory programmable
Vin (min) (V)1.8
Vin (max) (V)6.3
Iout (max) (A)1.5
FeaturesComm control, Power good, Power sequencing
Step-up DC/DC converter0
Step-down DC/DC converter3
Step-down DC/DC controller0
Step-up DC/DC controller0
LDO2
Iq (typ) (mA)0.08
RatingCatalog
Switching frequency (max) (kHz)2250
Operating temperature range (°C)-40 to 85
Processor supplierTexas Instruments
Processor nameOMAP
Shutdown current (ISD) (typ) (µA)0.08
Switching frequency (typ) (kHz)2250
VQFN (RSL)4836 mm² 6 x 6
产品购买
  • 商品型号
  • 封装
  • 工作温度
  • 包装
  • 价格
  • 现货库存
  • 操作
10s
温馨提示:
订单商品问题请移至我的售后服务提交售后申请,其他需投诉问题可移至我的投诉提交,我们将在第一时间给您答复
返回顶部