h1_key

TI(德州仪器) TPS62623
德州仪器 (TI) 全系列产品在线购买
  • TI(德州仪器) TPS62623
  • TI(德州仪器) TPS62623
  • TI(德州仪器) TPS62623
  • TI(德州仪器) TPS62623
  • TI(德州仪器) TPS62623
  • TI(德州仪器) TPS62623
立即查看
您当前的位置: 首页 > 电源管理 > 直流/直流开关稳压器 > 降压稳压器 > TPS62623
TPS62623

TPS62623

正在供货

600mA、6MHz、1.225V 输出电压、90% 高效降压转换器

产品详情
  • 说明
  • 特性
  • 参数
  • 封装 | 引脚 | 尺寸

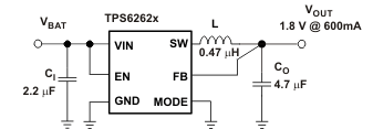
The TPS6262x device family provides high-frequency synchronous step-down DC/DC converters optimized for battery-powered portable applications. Intended for low-power applications, the TPS6262x devices support up to 600 mA load current, and allow the use of low cost chip inductor and capacitors.

With a wide input voltage range of 2.3 V to 5.5 V, the devices support applications powered by Li-Ion batteries with extended voltage range. Different fixed voltage output versions are available from 1.2 V to 2.3 V.

The TPS6262x devices operate at a regulated 6-MHz switching frequency and enter the power-save mode operation at light load currents to maintain high efficiency over the entire load current range.

The pulse frequency modulation (PFM) mode extends the battery life by reducing the quiescent current to 31 µA (typical) during light load and standby operation. For noise-sensitive applications, the device can be forced into fixed frequency pulse width modulation (PWM) mode by pulling the MODE pin high.

The TPS6262x devices operate over a free air temperature range of –40°C to 85°C. They are available in a 6-pin chip-scale package (WCSP).

  • Wide Input Voltage Range from 2.3 V to 5.5 V
  • 6 MHz Regulated Frequency Operation
  • 90% Efficiency at 6 MHz Operation
  • 31 µA Quiescent Current
  • Best in Class Load and Line Transient
  • ±2% Total DC Voltage Accuracy
  • Automatic PFM/PWM Mode Switching
  • Low Ripple Light-Load PFM Mode
  • Internal Soft Start, 120-µs Start-Up Time
  • Integrated Active Power-Down Sequencing
    (TPS62624 only)
  • Current Overload and Thermal Shutdown
    Protection
  • Three Surface-Mount External Components
    Required (One MLCC Inductor, Two Ceramic
    Capacitors)
  • Complete Sub 1-mm Component Profile Solution
  • Total Solution Size < 12 mm2
  • Available in a 6-Pin NanoFree™ (WCSP)
    Regular and Ultra-Thin Packaging
Vin (min) (V)2.3
Vin (max) (V)5.5
Vout (min) (V)1.225
Vout (max) (V)1.225
Iout (max) (A)0.6
Iq (typ) (mA)0.031
Switching frequency (min) (kHz)5400
Switching frequency (max) (kHz)6600
FeaturesEnable, Forced PWM, Light load efficiency, Synchronous Rectification
Operating temperature range (°C)-40 to 85
RatingCatalog
Regulated outputs (#)1
Control modeVoltage mode
Duty cycle (max) (%)100
TypeConverter
DSBGA (YFD)61.4000000000000001 mm² 1.4000000000000001 x 1
DSBGA (YFF)61.4000000000000001 mm² 1 x 1.4000000000000001
产品购买
  • 商品型号
  • 封装
  • 工作温度
  • 包装
  • 价格
  • 现货库存
  • 操作
10s
温馨提示:
订单商品问题请移至我的售后服务提交售后申请,其他需投诉问题可移至我的投诉提交,我们将在第一时间给您答复
返回顶部