h1_key

TI(德州仪器) TPS2590
德州仪器 (TI) 全系列产品在线购买
  • TI(德州仪器) TPS2590
  • TI(德州仪器) TPS2590
  • TI(德州仪器) TPS2590
  • TI(德州仪器) TPS2590
  • TI(德州仪器) TPS2590
  • TI(德州仪器) TPS2590
立即查看
您当前的位置: 首页 > 电源管理 > 电源开关 > 电子保险丝和热插拔控制器 > TPS2590
TPS2590

TPS2590

正在供货

3V 至 20V、30mΩ、2A 至 5A 电子保险丝

产品详情
  • 说明
  • 特性
  • 参数
  • 封装 | 引脚 | 尺寸

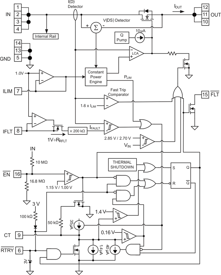
The TPS2590 device provides highly integrated hot-swap power management and superior protection in applications where the load is powered by busses up to 20 V. The maximum UV turn-on threshold of 2.9 V makes the TPS2590 device well suited to standard bus voltages as low as 3.3 V. This device is intended for systems where a voltage bus must be protected to prevent load shorts from interrupting or damaging other system components. The TPS2590 device is in a 16-pin QFN package.

The TPS2590 device has multiple programmable protection features. Load protection is accomplished by a non-current-limiting fault threshold, a hard current-limit threshold, and a fault timer. The dual current thresholds allow the system to draw high current for short periods without causing a voltage droop at the load. An example of this is a disk drive startup. This technique is ideal for loads that experience brief high demand, but benefit from protection levels consistent with average current draw.

Hotswap MOSFET protection is provided by power limit circuitry which protects the internal MOSFET against SOA related failures.

The TPS2590 device provides a fault indicator output and allows latch off or retry on fault.

  • Integrated Pass MOSFET
  • Up to 20-V Bus Operation
  • Programmable Fault Timer
  • Programmable Fault Current
  • Programmable Hard Current-Limit
  • Fast Disable
  • Thermal Shutdown
  • Load Fault Alert
  • Latching and Auto-retry Operation
  • 4-mm x 4-mm QFN
  • –40°C to 125°C Junction
    Temperature Range
  • UL2367 Recognized - File Number E169910
FETInternal
Ron (typ) (mΩ)30
Vin (min) (V)3
Vin (max) (V)20
Vabsmax_cont (V)25
Current limit (min) (A)2
Current limit (max) (A)5
Overcurrent responsecurrent limiting
Soft startAdjustable
Overvoltage responseClamp
UL recognitionUL2367
RatingCatalog
Device typeeFuses and hot swap controllers
Operating temperature range (°C)-40 to 125
FunctionAdjustable current limit, Inrush current control, Short circuit protection, Thermal shutdown
VQFN (RSA)1616 mm² 4 x 4
产品购买
  • 商品型号
  • 封装
  • 工作温度
  • 包装
  • 价格
  • 现货库存
  • 操作
10s
温馨提示:
订单商品问题请移至我的售后服务提交售后申请,其他需投诉问题可移至我的投诉提交,我们将在第一时间给您答复
返回顶部