h1_key

TI(德州仪器) TPS22960
德州仪器 (TI) 全系列产品在线购买
  • TI(德州仪器) TPS22960
  • TI(德州仪器) TPS22960
  • TI(德州仪器) TPS22960
  • TI(德州仪器) TPS22960
  • TI(德州仪器) TPS22960
  • TI(德州仪器) TPS22960
立即查看
您当前的位置: 首页 > 电源管理 > 电源开关 > 负载开关 > TPS22960
TPS22960

TPS22960

正在供货

具有输出放电功能的 2 通道、5.5V、0.5A、435mΩ 负载开关

产品详情
  • 说明
  • 特性
  • 参数
  • 封装 | 引脚 | 尺寸

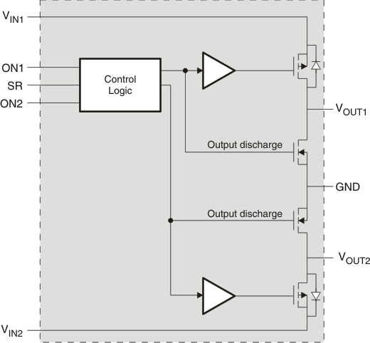
The TPS22960 is a small low-rON dual-channel load switch with controlled turnon. The devices contain two P-channel MOSFETs that can operate over an input voltage range of 1.62 V to 5.5 V. Each switch is independently controlled by on/off inputs (ON1 and ON2), which are capable of interfacing directly with low-voltage control signals. In TPS22960 a 85-Ω on-chip load resistor is added for quick discharge when the switch is turned off.

The rise time (slew-rate) of the device is internally controlled in order to avoid inrush current, and it can be slowed down if needed using the SR pin: at 3.3 V, TPS22960 features a 75-µs rise time with the SR pin tied to ground and 660-µs with the SR pin tied to high.

The TPS22960 is available in a space-saving 8-pin UQFN package and in an 8-pin SOT package. It is characterized for operation over the free-air temperature range of –40°C to 85°C.

  • Integrated Dual-Load Switch
  • Input Voltage Range: 1.62 V to 5.5 V
  • Low ON-State Resistance
    • rON = 342 mΩ at VIN = 5.5 V
    • rON = 435 mΩ at VIN = 3.3 V
    • rON = 523 mΩ at VIN = 2.5 V
    • rON = 737 mΩ at VIN = 1.8 V
  • 500-mA Maximum Continuous Switch Current
  • Low Quiescent Current and Shutdown Current
  • Controlled Switch Output Rise Time:
    75 µs or 660 µs
  • Integrated Quick Output Discharge Transistor
  • ESD Performance Tested Per JESD 22
    • 2000-V Human Body Model
      (A114-B, Class II)
    • 1000-V Charged-Device Model (C101)
  • 8-Pin SOT (DCN) Package: 3 mm × 3 mm
  • 8-Pin UQFN (RSE) Package: 1.5 mm × 1.5 mm
Number of channels2
Vin (min) (V)1.62
Vin (max) (V)5.5
Imax (A)0.5
Ron (typ) (mΩ)435
Shutdown current (ISD) (typ) (µA)0.25
Quiescent current (Iq) (typ) (µA)0.35
Soft startAdjustable Rise Time
Current limit typeNone
FeaturesQuick output discharge
RatingCatalog
Operating temperature range (°C)-40 to 85
FETInternal
Device typeLoad switches
FunctionInrush current control
SOT-23 (DCN)84.64 mm² 2.9 x 1.6
UQFN (RSE)82.25 mm² 1.5 x 1.5
产品购买
  • 商品型号
  • 封装
  • 工作温度
  • 包装
  • 价格
  • 现货库存
  • 操作
10s
温馨提示:
订单商品问题请移至我的售后服务提交售后申请,其他需投诉问题可移至我的投诉提交,我们将在第一时间给您答复
返回顶部