h1_key

TI(德州仪器) TPS61241
德州仪器 (TI) 全系列产品在线购买
  • TI(德州仪器) TPS61241
  • TI(德州仪器) TPS61241
  • TI(德州仪器) TPS61241
  • TI(德州仪器) TPS61241
  • TI(德州仪器) TPS61241
  • TI(德州仪器) TPS61241
立即查看
您当前的位置: 首页 > 电源管理 > 直流/直流开关稳压器 > 升压稳压器 > TPS61241
TPS61241

TPS61241

正在供货

5V、500mA、4MHz 升压直流/直流转换器

产品详情
  • 说明
  • 特性
  • 参数
  • 封装 | 引脚 | 尺寸

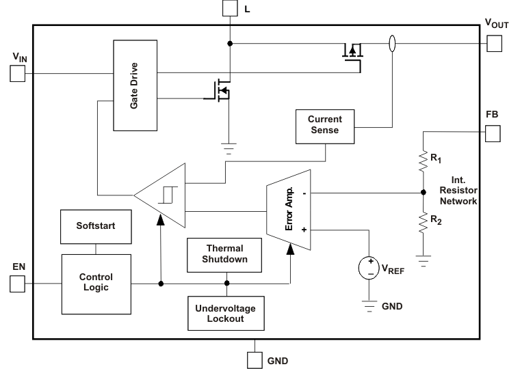
The TPS6124x device is a highly efficient synchronous step-up DC-DC converter optimized for products powered by either a three-cell alkaline, NiCd or NiMH, or one-cell Li-Ion or Li-Polymer battery. The TPS6124x supports output currents up to 450 mA. The TPS61240 has an input valley current limit of 500 mA, and the TPS61241 has an input valley current of 600 mA.

With an input voltage range of 2.3 V to 5.5 V, the device supports batteries with extended voltage range and are ideal to power portable applications like mobile phones and other portable equipment. The TPS6124x boost converter is based on a quasi-constant on-time valley current mode control scheme.

The TPS6124x presents a high impedance at the VOUT pin when shut down. This allows for use in applications that require the regulated output bus to be driven by another supply while the TPS6124x is shut down.

During light loads the device will automatically pulse skip allowing maximum efficiency at lowest quiescent currents. In the shutdown mode, the current consumption is reduced to less than 1 µA.

TPS6124x allows the use of small inductors and capacitors to achieve a small solution size. During shutdown, the load is completely disconnected from the battery. The TPS6124x is available in a 6-pin DSBGA and 2-mm × 2-mm WSON package.

  • Efficiency > 90% at Nominal Operating Conditions
  • Total DC Output Voltage Accuracy 5.0 V±2%
  • Typical 30-µA Quiescent Current
  • Best in Class Line and Load Transient
  • Wide VIN Range From 2.3 V to 5.5 V
  • Output Current up to 450 mA
  • Automatic PFM/PWM Mode Transition
  • Low Ripple Power Save Mode for Improved
    Efficiency at Light Loads
  • Internal Softstart, 250-μs Typical Start-Up Time
  • 3.5-MHz Typical Operating Frequency
  • Load Disconnect During Shutdown
  • Current Overload and Thermal Shutdown
    Protection
  • Three Surface-Mount External Components
    Required (One MLCC Inductor, Two Ceramic
    Capacitors)
  • Total Solution Size <13 mm2
  • Available in a 6-Pin DSBGA and 2-mm × 2-mm
    WSON Package
TopologyBoost
Vin (min) (V)2.3
Vin (max) (V)5.5
Vout (min) (V)5
Vout (max) (V)5
Switch current limit (typ) (A)0.7
TypeConverter
Regulated outputs (#)1
Switching frequency (min) (kHz)3500
Switching frequency (max) (kHz)3500
Iq (typ) (mA)0.03
FeaturesEnable, Light Load Efficiency, Load Disconnect, Synchronous Rectification
Duty cycle (max) (%)100
Operating temperature range (°C)-40 to 85
RatingCatalog
DSBGA (YFF)61.4000000000000001 mm² 1 x 1.4000000000000001
产品购买
  • 商品型号
  • 封装
  • 工作温度
  • 包装
  • 价格
  • 现货库存
  • 操作
10s
温馨提示:
订单商品问题请移至我的售后服务提交售后申请,其他需投诉问题可移至我的投诉提交,我们将在第一时间给您答复
返回顶部