h1_key

TI(德州仪器) LM26001-Q1
德州仪器 (TI) 全系列产品在线购买
  • TI(德州仪器) LM26001-Q1
  • TI(德州仪器) LM26001-Q1
  • TI(德州仪器) LM26001-Q1
  • TI(德州仪器) LM26001-Q1
  • TI(德州仪器) LM26001-Q1
  • TI(德州仪器) LM26001-Q1
立即查看
您当前的位置: 首页 > 电源管理 > 直流/直流开关稳压器 > 降压稳压器 > LM26001-Q1
LM26001-Q1

LM26001-Q1

正在供货

具有高效睡眠模式的 1.5A 开关稳压器

产品详情
  • 说明
  • 特性
  • 参数
  • 封装 | 引脚 | 尺寸

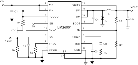
The LM26001 is a switching regulator designed for the high-efficiency requirements of applications with standby modes. The device features a low-current sleep mode to maintain efficiency under light-load conditions and current-mode control for accurate regulation over a wide input voltage range. Quiescent current is reduced to 10 µA typically in shutdown mode and less than 40 µA in sleep mode. Forced PWM mode is also available to disable sleep mode.

The LM26001 can deliver up to 1.5 A of continuous load current with a fixed current limit, through the internal N-channel switch. The part has a wide input voltage range of 4.0 V to 38 V and can operate with input voltages as low as 3 V during line transients.

Operating frequency is adjustable from 150 kHz to 500 kHz with a single resistor and can be synchronized to an external clock.

Other features include Power Good, adjustable soft-start, enable pin, input undervoltage protection, and an internal bootstrap diode for reduced component count.

For all available packages, see the orderable addendum at the end of the datasheet.

  • LM26001-Q1 is an Automotive-Grade Product that is AEC-Q100 Grade 1 Qualified (–40°C to +125°C Operating Junction Temperature)
  • High-Efficiency Sleep Mode
  • 40-µA Typical Iq in Sleep Mode
  • 10-µA Typical Iq in Shutdown Mode
  • 3.0-V Minimum Input Voltage
  • 4.0-V to 38-V Continuous Input Range
  • 1.5% Reference Accuracy
  • Cycle-by-Cycle Current Limit
  • Adjustable Frequency (150 kHz to 500 kHz)
  • Synchronizable to an External Clock
  • Power Good Flag
  • Forced PWM Function
  • Adjustable Soft-Start
  • HTSSOP-16 Exposed Pad Package
  • Thermal Shut Down
Vin (min) (V)3
Vin (max) (V)38
Vout (min) (V)1.25
Vout (max) (V)35
Iout (max) (A)1.5
Iq (typ) (mA)0.038
Switching frequency (min) (kHz)150
Switching frequency (max) (kHz)500
FeaturesEnable, Forced PWM, Frequency synchronization, Light Load Efficiency, Over Current Protection, Power good, Pre-Bias Start-Up, Soft Start Adjustable
Operating temperature range (°C)-40 to 125
RatingAutomotive
Regulated outputs (#)1
Control modecurrent mode
Duty cycle (max) (%)98
TypeConverter
HTSSOP (PWP)1632 mm² 5 x 6.4
产品购买
  • 商品型号
  • 封装
  • 工作温度
  • 包装
  • 价格
  • 现货库存
  • 操作
10s
温馨提示:
订单商品问题请移至我的售后服务提交售后申请,其他需投诉问题可移至我的投诉提交,我们将在第一时间给您答复
返回顶部