h1_key

TI(德州仪器) BQ24382
德州仪器 (TI) 全系列产品在线购买
  • TI(德州仪器) BQ24382
  • TI(德州仪器) BQ24382
  • TI(德州仪器) BQ24382
  • TI(德州仪器) BQ24382
  • TI(德州仪器) BQ24382
  • TI(德州仪器) BQ24382
立即查看
您当前的位置: 首页 > 电源管理 > 电池管理 IC > 电池保护器 > BQ24382
BQ24382

BQ24382

正在供货

过压/过流保护 IC 和锂离子充电器前端保护 IC,具有 LDO 模式、10.5 OVP

产品详情
  • 说明
  • 特性
  • 参数
  • 封装 | 引脚 | 尺寸

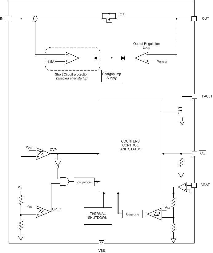
The bq2438x family of devices are charger front-end integrated circuits (ICs) designed to provide protection to Li-ion batteries from failures of the charging circuit. The device continuously monitors the input voltage and battery voltage. The device operates like a linear regulator, maintaining a 5.5-V (bq24380) or 5-V (bq24381, bq24382) output with input voltages up to the Input overvoltage threshold. During input overvoltage conditions, the device immediately turns off the internal pass FET disconnecting the charging circuit from the damaging input source. Additionally, if the battery voltage rises to unsafe levels while charging, power is removed from the system. The device checks for short-circuit or overload conditions at its output when turning the pass FET on, and if it finds unsafe conditions, it switches off and then rechecks the conditions. Additionally, the device also monitors its die temperature and switches off if it exceeds 140°C.

When the device is controlled by a processor, the device provides status information about fault conditions to the host.

  • Input Overvoltage Protection
  • Accurate Battery Overvoltage Protection
  • Output Short-Circuit Protection
  • Soft-Start to Prevent Inrush Currents
  • Soft-Stop to Prevent Voltage Spikes
  • Maximum Input Voltage of 30 V
  • Supports up to 1.7-A Load Current
  • Thermal Shutdown
  • Enable Function
  • Fault Status Indication
  • Small 2 mm × 2 mm 8-Pin WSON Package
FunctionCharger Front-End Protection
Number of series cells (min)1
Number of series cells (max)1
FeaturesLDO output, Overcurrent protection, Overvoltage, Short-circuit Discharge (SCD)
Operating current (typ) (µA)300
RatingCatalog
Vin (max) (V)30
Overvoltage protection10.5
Operating temperature range (°C)-40 to 125
Battery overvoltage protection (min) (V)4.35
Battery overvoltage protection (max) (V)4.35
WSON (DSG)84 mm² 2 x 2
产品购买
  • 商品型号
  • 封装
  • 工作温度
  • 包装
  • 价格
  • 现货库存
  • 操作
10s
温馨提示:
订单商品问题请移至我的售后服务提交售后申请,其他需投诉问题可移至我的投诉提交,我们将在第一时间给您答复
返回顶部