h1_key

TI(德州仪器) LM25011-Q1
德州仪器 (TI) 全系列产品在线购买
  • TI(德州仪器) LM25011-Q1
  • TI(德州仪器) LM25011-Q1
  • TI(德州仪器) LM25011-Q1
  • TI(德州仪器) LM25011-Q1
  • TI(德州仪器) LM25011-Q1
  • TI(德州仪器) LM25011-Q1
立即查看
您当前的位置: 首页 > 电源管理 > 直流/直流开关稳压器 > 降压稳压器 > LM25011-Q1
LM25011-Q1

LM25011-Q1

正在供货

具有可调节限流功能的汽车类 6V 至 42V 宽输入电压、2A 恒定导通时间非同步降压稳压器

产品详情
  • 说明
  • 特性
  • 参数
  • 封装 | 引脚 | 尺寸

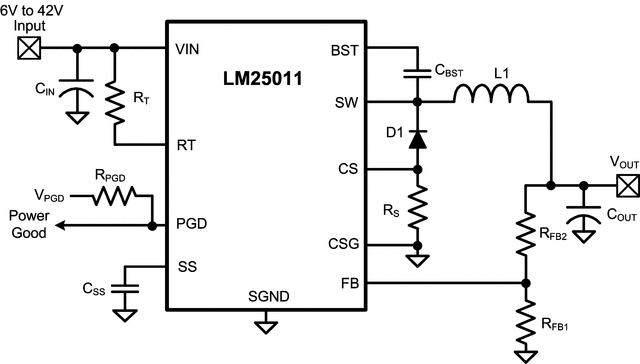
LM25011 恒定导通降压开关稳压器 具有 所有必需功能,可用于实现具备低成本高效率且能提供 2A 负载电流的降压偏置稳压器。此高压稳压器包含一个 N 通道降压开关、一个启动稳压器、一个限流检测和内部纹波控件。恒定导通调节原则无需环路补偿,从而可实现快速负载瞬态响应,并简化电路实现。工作频率不会随线路和负载的变化而变化。可调节的谷值电流限制检测有助于在达到限流时实现从恒压模式向恒流模式的平稳转换,而无需使用折返式电流限制。当输出电压已升至预期调节值的 5% 范围内时,PGD 输出将进行指示。其他 功能 包括:低输出纹波电压、输入电压欠压锁定、可调软启动计时、热关断、栅极驱动预充电、栅极驱动欠压锁定和最大占空比限制。

LM25011A 比 LM25011 具有更短的最小关断时间,从而可在低输入电压下实现更高运行频率。

  • LM25011-Q1 是一款汽车级产品,符合 AEC-Q100 1 级标准(运行结温范围为 –40°C 至 +125°C)
  • LM25011A 可在高开关频率下实现低压降运行
  • 输入工作电压范围:6V 至 42V
  • 绝对最大输入额定值:45V
  • 集成型 2A N 通道降压开关
  • 可调节限流功能支持使用更小的电感器
  • 可调节输出电压(以 2.51V 为基准电压)
  • VOUT 上的最小纹波电压
  • 电源正常输出
  • 开关频率可调节至 2MHz
  • COT 拓扑 特性:
    • 负载电流和输入电压变化时可保持几乎恒定的开关频率
    • 超快速瞬态响应
    • 无需环路补偿
    • 使用陶瓷输出电容器实现稳定运行
    • 可使用更小的输出电容器和电流检测电阻器
  • 可调软启动计时
  • 热关断
  • 精度 2% 的反馈基准电压
  • 封装:10 引脚 HVSSOP
  • 使用 LM25011 系列并借助 WEBENCH 电源设计器创建定制设计方案
Vin (min) (V)6
Vin (max) (V)42
Vout (min) (V)2.51
Vout (max) (V)40
Iout (max) (A)2
Iq (typ) (mA)1.2
Switching frequency (min) (kHz)50
Switching frequency (max) (kHz)2000
FeaturesAdjustable current limit, Over Current Protection, Power good
Operating temperature range (°C)-40 to 125
RatingAutomotive
Regulated outputs (#)1
Control modeConstant on-time (COT)
Duty cycle (max) (%)99
TypeConverter
HVSSOP (DGQ)1014.7 mm² 3 x 4.9
产品购买
  • 商品型号
  • 封装
  • 工作温度
  • 包装
  • 价格
  • 现货库存
  • 操作
10s
温馨提示:
订单商品问题请移至我的售后服务提交售后申请,其他需投诉问题可移至我的投诉提交,我们将在第一时间给您答复
返回顶部