h1_key

TI(德州仪器) TPS2459
德州仪器 (TI) 全系列产品在线购买
  • TI(德州仪器) TPS2459
  • TI(德州仪器) TPS2459
  • TI(德州仪器) TPS2459
  • TI(德州仪器) TPS2459
  • TI(德州仪器) TPS2459
  • TI(德州仪器) TPS2459
立即查看
您当前的位置: 首页 > 电源管理 > 电源开关 > 电子保险丝和热插拔控制器 > TPS2459
TPS2459

TPS2459

正在供货

具有 ORing 和 I2C 的 3V 至 15V 热插拔控制器

产品详情
  • 说明
  • 特性
  • 参数
  • 封装 | 引脚 | 尺寸

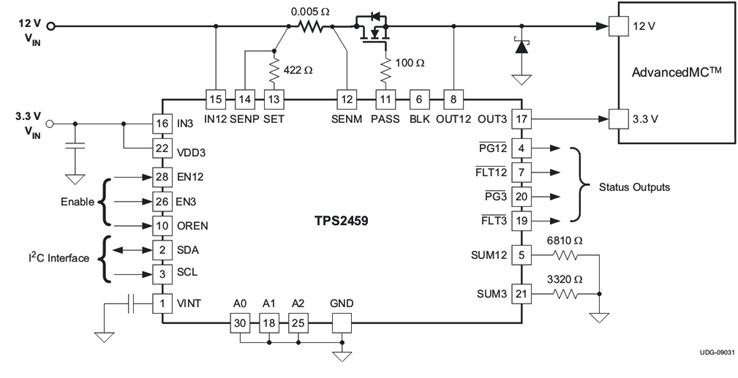
The TPS2459 hot-plug controller performs all necessary power interface functions for an AdvancedMC™ (Advanced Mezzanine Card). A fully integrated 3.3-V channel provides inrush control, over-current protection, and FET ORing. A 12-V channel provides the same functions using external FETs and sense resistors. The 3.3-V current limit is factory set to AdvancedMC™ compliant levels while the 12-V current limit is programmed using external sense resistors. The accurate current sense comparators of the TPS2459 satisfy the narrow ATCA™ AdvancedMC™ current limit requirements.

  • ATCA AdvancedMC™ Compliant
  • Full Power Control for an AdvancedMC™ Module
  • Independently Programmable 12-V Current Limit and Fast Trip
  • 3.3-V and 12-V FET ORing Control for MicroTCA
  • 12-V Output Shuts Off If 3.3-V Output Shuts Off
  • Internal 3.3-V Current Limit and ORing
  • I2C Power Good and Fault Reporting
  • I2C™ Programmable Fault Times and Limits
  • FET Status Bits for 3.3-V and 12-V Channels
  • Load Current Monitors for 12-V and 3.3-V
  • 32-Pin QFN Package
FETExternal
Vin (min) (V)8.5
Vin (max) (V)15
Vabsmax_cont (V)-9999
Current limit (min) (A)0.01
Current limit (max) (A)500
Overcurrent responseCircuit breaker, current limiting
Fault responseAuto-retry, Latch-off
Soft startAdjustable
FeaturesCurrent monitoring, Fault output, Power good signal, Reverse current blocking always
RatingCatalog
Device typeeFuses and hot swap controllers
Operating temperature range (°C)-40 to 85
FunctionAdjustable current limit, Current monitoring, Power good signal, Reverse current blocking, Short circuit protection
VQFN (RHB)3225 mm² 5 x 5
产品购买
  • 商品型号
  • 封装
  • 工作温度
  • 包装
  • 价格
  • 现货库存
  • 操作
10s
温馨提示:
订单商品问题请移至我的售后服务提交售后申请,其他需投诉问题可移至我的投诉提交,我们将在第一时间给您答复
返回顶部