h1_key

TI(德州仪器) TPS2420
德州仪器 (TI) 全系列产品在线购买
  • TI(德州仪器) TPS2420
  • TI(德州仪器) TPS2420
  • TI(德州仪器) TPS2420
  • TI(德州仪器) TPS2420
  • TI(德州仪器) TPS2420
  • TI(德州仪器) TPS2420
立即查看
您当前的位置: 首页 > 电源管理 > 电源开关 > 电子保险丝和热插拔控制器 > TPS2420
TPS2420

TPS2420

正在供货

3V 至 20V、30mΩ、1A 至 5A 电子保险丝

产品详情
  • 说明
  • 特性
  • 参数
  • 封装 | 引脚 | 尺寸

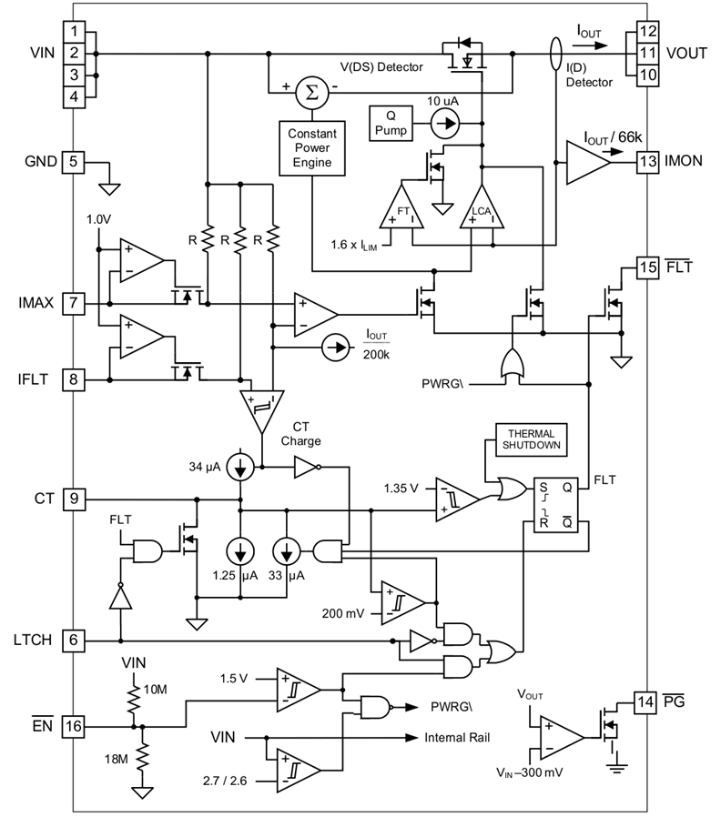
The TPS2420 device provides highly integrated load protection for applications up to 20-V. The maximum UV turn-on threshold of 2.9 V makes the TPS2420 well suited to standard bus voltages as low as 3.3 V. The TPS2420 device protects loads, minimizes inrush current, and safely shuts down in the event of a fault. The programmable fault current threshold starts the fault timer while allowing the current to pass to the load uninhibited. The programmable current limit threshold sets the maximum current allowed into the load, for both inrush and severe load faults. Both events use the programmable timer which inhibits all current to the load when it expires.

The dual protection thresholds are useful in applications such as disk drives. The start-up and seek currents are typically higher than the nominal current and during this time the load needs a low impedance path to deliver the power. If a failure at the load occurs, the current limit does not allow the current to exceed the programmed threshold. This protects both the load and the integrity of the power supply. The internal MOSFET is protected by power limit circuitry which ensures that the MOSFET remains within its safe operating area (SOA) during all operating states.

The TPS2420 device also allows the system to monitor load currents with no need for a shunt in the power path. The gain of the current monitor can be scaled to the application. Fault and power good outputs are provided for improved system management and sequencing control.

This device can be programmed to either latch-off or retry in the event of a fault. All of this functionality is packed into a 16-pin 4 × 4 mm QFN package.

  • Integrated 30-mΩ Pass MOSFET
  • Up to 20-V Bus Operation
  • Programmable Fault Current
  • Programmable Hard Current-Limit
  • Programmable Fault Timer
  • Internal MOSFET Power Limiting Foldback
  • Latching and Auto-Retry Operation
  • Analog Current Monitor Output
  • Powergood Output
  • Fault Output Indicator
  • 4 mm × 4 mm QFN
  • –40°C to 125°C Junction
    Temperature Range
  • UL2367 Recognized - File Number E169910
FETInternal
Ron (typ) (mΩ)30
Vin (min) (V)3
Vin (max) (V)20
Vabsmax_cont (V)25
Current limit (min) (A)1
Current limit (max) (A)5
Overcurrent responsePower limiting, current limiting
Fault responseAuto-retry, Latch-off
Soft startAdjustable
FeaturesCurrent monitoring, Fault output, Power good signal
UL recognitionUL2367
RatingCatalog
Device typeeFuses and hot swap controllers
Operating temperature range (°C)-40 to 125
FunctionAdjustable current limit, Current monitoring, Power good signal, Short circuit protection, Thermal shutdown
VQFN (RSA)1616 mm² 4 x 4
产品购买
  • 商品型号
  • 封装
  • 工作温度
  • 包装
  • 价格
  • 现货库存
  • 操作
10s
温馨提示:
订单商品问题请移至我的售后服务提交售后申请,其他需投诉问题可移至我的投诉提交,我们将在第一时间给您答复
返回顶部