h1_key

TI(德州仪器) TLC59212
德州仪器 (TI) 全系列产品在线购买
  • TI(德州仪器) TLC59212
  • TI(德州仪器) TLC59212
  • TI(德州仪器) TLC59212
  • TI(德州仪器) TLC59212
  • TI(德州仪器) TLC59212
  • TI(德州仪器) TLC59212
立即查看
您当前的位置: 首页 > 电源管理 > LED 驱动器 > RGB LED 驱动器 > TLC59212
TLC59212

TLC59212

正在供货

具有锁存器的 8 位集电极开路驱动器

产品详情
  • 说明
  • 特性
  • 参数
  • 封装 | 引脚 | 尺寸

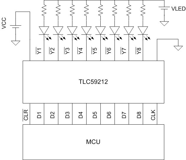
The TLC59212 device is an 8-bit open-collector driver with latch designed for 5-V VCC operation.

These circuits are positive-edge-triggered D-type flip-flops with a direct clear (CLR) input. Information at the data (D) input meeting the setup time requirements is transferred to the Y output on the positive-going edge of the clock (CLK) pulse. Clock triggering occurs at a particular voltage level and is not directly related to the transition time of the positive-going pulse. When CLK is at either the high or low level, the D-input has no effect at the output.

The TLC59212 is characterized for operation from –40°C to 85°C.

  • LBC3S (Lin BiCMOS) Process
  • High Voltage Output (VOUT = 24 V)
  • Output Current (IOL Maximum = 40 mA)
  • Latch-Up Performance Exceeds 250 mA Per
    JEDEC Standard JESD-17
  • ESD Protection Exceeds JESD 22
    • 2000-V Human Body Model (A114-A)
    • 200-V Machine Model (A115-A)
    • 1000-V Charged Device Model (C101)
Number of channels8
LED current per channel (mA)40
LED configurationParallel, Series
Program memoryNo
TopologyCurrent Sink
Programmable ramp controlNo
Vin (min) (V)4.5
Vin (max) (V)5.5
Iout (max) (A)0.32
FeaturesGPIO interface
Iq (typ) (mA)0
Shutdown current (ISD) (typ) (µA)0
Operating temperature range (°C)-40 to 85
RatingCatalog
TSSOP (PW)2041.6 mm² 6.5 x 6.4
产品购买
  • 商品型号
  • 封装
  • 工作温度
  • 包装
  • 价格
  • 现货库存
  • 操作
10s
温馨提示:
订单商品问题请移至我的售后服务提交售后申请,其他需投诉问题可移至我的投诉提交,我们将在第一时间给您答复
返回顶部