h1_key

TI(德州仪器) TLC5941-Q1
德州仪器 (TI) 全系列产品在线购买
  • TI(德州仪器) TLC5941-Q1
  • TI(德州仪器) TLC5941-Q1
  • TI(德州仪器) TLC5941-Q1
  • TI(德州仪器) TLC5941-Q1
  • TI(德州仪器) TLC5941-Q1
  • TI(德州仪器) TLC5941-Q1
立即查看
您当前的位置: 首页 > 电源管理 > LED 驱动器 > 汽车 LED 驱动器 > TLC5941-Q1
TLC5941-Q1

TLC5941-Q1

正在供货

具有像点修正与灰度 PWM 控制功能的汽车类 16 通道 LED 驱动器

产品详情
  • 说明
  • 特性
  • 参数
  • 封装 | 引脚 | 尺寸

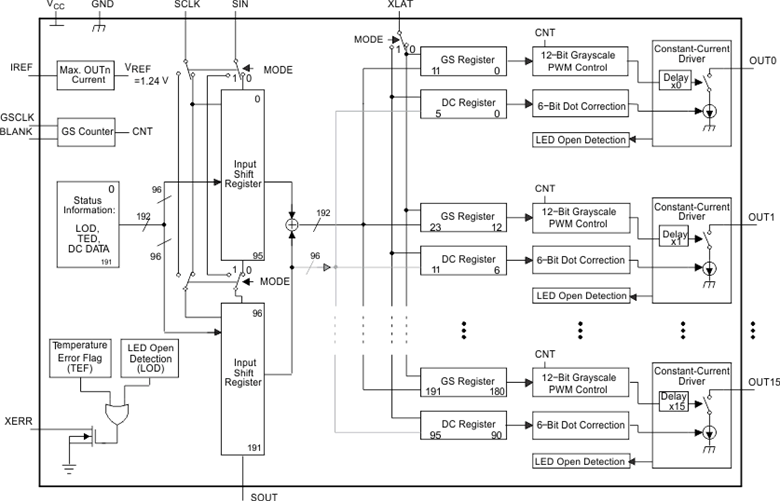
The TLC5941-Q1 device is a 16-channel, constant-current sink, LED driver. Each channel has an individually adjustable 4096-step grayscale PWM brightness control and a 64-step constant-current sink (dot correction), which both are accessible via a serial interface. This device features two fault diagnostic circuits. The LED open detection (LOD) indicates a broken or disconnected LED at an output terminal. The thermal error flag (TEF) indicates an over temperature condition.

The TLC5941-Q1 features two error information circuits. The LED open detection (LOD) indicates a broken or disconnected LED at an output terminal. The thermal error flag (TEF) indicates an overtemperature condition.

  • Qualified for Automotive Applications
  • AEC-Q100 Qualified With the Following Results:
    • Device Temperature Grade 1: –40°C to 125°C
      Ambient Operating Temperature Range
    • Device HBM ESD Classification Level 2
    • Device CDM ESD Classification Level C4B
  • 16 Channels
  • 12-Bit (4096 Steps) Grayscale PWM Control
  • Dot Correction: 6 Bit (64 Steps)
  • Drive Capability (Constant-Current Sink):
    0 mA to 60 mA
  • LED Power Supply Voltage up to 17 V
  • VCC = 3.0 V to 5.5 V
  • Serial Data Interface
  • Controlled In-Rush Current
  • 30-MHz Data Transfer Rate
  • CMOS Level I/O
  • Error Information
    • LOD: LED Open Detection
    • TEF: Thermal Error Flag
Number of channels16
TopologyCurrent Sink
RatingAutomotive
Operating temperature range (°C)-40 to 125
Vin (min) (V)3
Vin (max) (V)5.5
Vout (min) (V)0
Vout (max) (V)17
Iout (max) (A)0.96
Iq (typ) (mA)0.9
FeaturesLED Open Detection, Thermal Error Flag
HTSSOP (PWP)2862.08 mm² 9.7 x 6.4
产品购买
  • 商品型号
  • 封装
  • 工作温度
  • 包装
  • 价格
  • 现货库存
  • 操作
10s
温馨提示:
订单商品问题请移至我的售后服务提交售后申请,其他需投诉问题可移至我的投诉提交,我们将在第一时间给您答复
返回顶部