h1_key

TI(德州仪器) LM25010-Q1
德州仪器 (TI) 全系列产品在线购买
  • TI(德州仪器) LM25010-Q1
  • TI(德州仪器) LM25010-Q1
  • TI(德州仪器) LM25010-Q1
  • TI(德州仪器) LM25010-Q1
  • TI(德州仪器) LM25010-Q1
  • TI(德州仪器) LM25010-Q1
立即查看
您当前的位置: 首页 > 电源管理 > 直流/直流开关稳压器 > 降压稳压器 > LM25010-Q1
LM25010-Q1

LM25010-Q1

正在供货

汽车级 6-42V 宽输入电压、1A 恒准时非同步降压稳压器

产品详情
  • 说明
  • 特性
  • 参数
  • 封装 | 引脚 | 尺寸

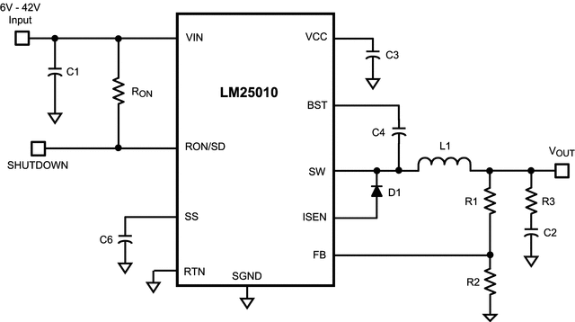
The LM25010 features all the functions needed to implement a low-cost, efficient, buck regulator capable of supplying in excess of 1-A load current. This high voltage regulator integrates an N-Channel Buck Switch, and is available in thermally enhanced 10-pin WSON and 14-pin HTSSOP packages. The constant ON-time regulation scheme requires no loop compensation resulting in fast load transient response and simplified circuit implementation. The operating frequency remains constant with line and load variations due to the inverse relationship between the input voltage and the ON-time. The valley current limit detection is set at 1.25 A. Additional features include: VCC undervoltage lockout, thermal shutdown, gate drive undervoltage lockout, and maximum duty cycle limiter.

  • LM25010-Q1 Qualified for Automotive
    Applications
  • AEC-Q100 Qualified With the Following Results:
    • Device Temperature Grade 1: –40°C to 125°C
      Ambient Operating Temperature Range
    • Device Temperature Grade 0: –40°C to 150°C
      Ambient Operating Temperature Range
    • Device HBM ESD Classification Level 2
    • Device CDM ESD Classification Level C5
  • Wide 6-V to 42-V Input Voltage Range
  • Valley Current Limiting at 1.25 A
  • Programmable Switching Frequency Up To 1 MHz
  • Integrated N-Channel Buck Switch
  • Integrated High Voltage Bias Regulator
  • No Loop Compensation Required
  • Ultra-Fast Transient Response
  • Nearly Constant Operating Frequency With Line
    and Load Variations
  • Adjustable Output Voltage
  • 2.5 V, ±2% Feedback Reference
  • Programmable Soft Start
  • Thermal Shutdown
Vin (min) (V)6
Vin (max) (V)42
Vout (min) (V)2.5
Vout (max) (V)37
Iout (max) (A)1
Iq (typ) (mA)0.645
Switching frequency (min) (kHz)50
Switching frequency (max) (kHz)1000
FeaturesEnable, Over Current Protection, Soft Start Adjustable
Operating temperature range (°C)-40 to 150
RatingAutomotive
Regulated outputs (#)1
Control modeConstant on-time (COT)
Duty cycle (max) (%)99
TypeConverter
HTSSOP (PWP)1432 mm² 5 x 6.4
产品购买
  • 商品型号
  • 封装
  • 工作温度
  • 包装
  • 价格
  • 现货库存
  • 操作
10s
温馨提示:
订单商品问题请移至我的售后服务提交售后申请,其他需投诉问题可移至我的投诉提交,我们将在第一时间给您答复
返回顶部