h1_key

TI(德州仪器) BQ24072
德州仪器 (TI) 全系列产品在线购买
  • TI(德州仪器) BQ24072
  • TI(德州仪器) BQ24072
  • TI(德州仪器) BQ24072
  • TI(德州仪器) BQ24072
  • TI(德州仪器) BQ24072
  • TI(德州仪器) BQ24072
立即查看
您当前的位置: 首页 > 电源管理 > 电池管理 IC > 电池充电器 IC > BQ24072
BQ24072

BQ24072

正在供货

具有电源路径、4.2V VBAT 和 VOUT=VBAT + 225mV 的独立型单节 1.5A 线性电池充电器

产品详情
  • 说明
  • 特性
  • 参数
  • 封装 | 引脚 | 尺寸

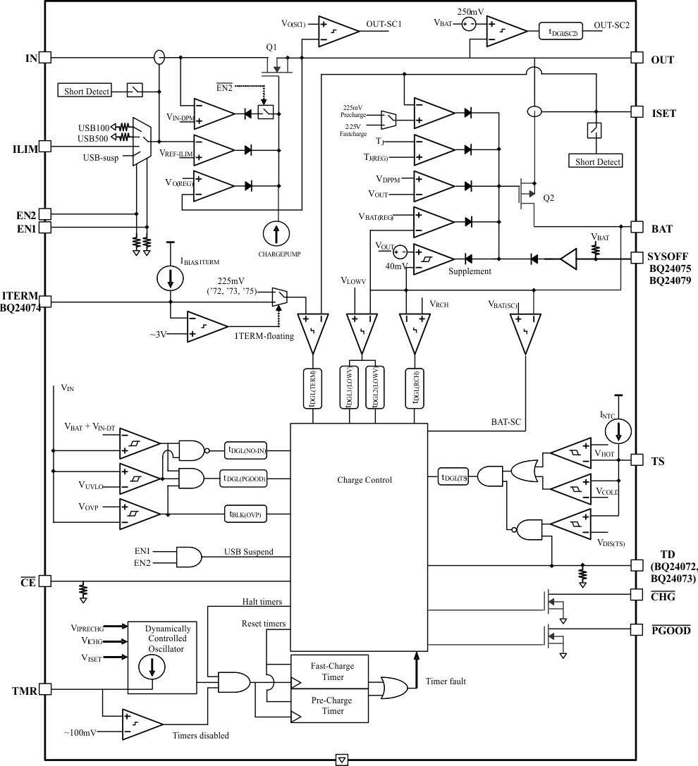
BQ2407x 系列器件是集成型锂离子线性充电器和系统电源路径管理器件,适用于空间受限的便携式应用。这类器件通过 USB 端口或交流适配器运行,最高支持 1.5A 的充电电流。它们在输入电压范围内具有输入电压保护功能,因此支持非稳压适配器。BQ2407x 的 USB 输入电流限制精度和启动序列使得这款器件能够符合 USB-IF 浪涌电流规范。此外,输入动态电源管理 (VIN-DPM) 可防止充电器损毁错误配置的 USB 电源。

BQ2407x 具有动态电源路径管理 (DPPM),此功能可在为系统供电的同时独立地为电池充电。当输入电流限制引起系统输出降至 DPPM 阈值时,DPPM 电路将减少充电电流;因此,可在为系统负载供电时随时监测充电电流。这个特性减少了电池上充放电周期的数量,可实现充电正常终止并使得系统能够在由有缺陷或者不完整的电池组供电的情况下运行。

此外,该系列充电器可提供经稳压的系统输入,即使在电池完全放电的情况下,也可使系统在连接电源后实现瞬间开启。当适配器无法提供峰值系统电流时,电源路径管理架构还允许使用电池来满足系统电流要求,因此可使用更小的适配器。

电池充电过程分为三个阶段:预充电、恒流充电和恒压充电。在所有的充电阶段,一个内部控制环路监测 IC 结温并且如果超过此内部温度阈值则减少充电电流。充电器功率级和充电电流感应功能完全集成在了一起。该充电器具高精度电流和电压调节环路、充电状态显示和充电终止功能。输入电流限制和充电电流可使用外部电阻器进行编程。

  • 完全符合 USB 充电器标准
    • 最大输入电流可选 100mA 和 500mA
    • 100mA 最大电流限制可确保充电符合 USB-IF 标准
    • 基于输入的动态电源管理 (VIN-DPM),用于保护免受不良 USB 电源损害
  • 提供功能安全型 (BQ24074)
    • 可帮助进行功能安全系统设计的文档
  • 28V 输入额定值,具有过压保护功能
  • 集成动态电源路径管理 (DPPM) 功能可同时独立进行系统供电和对电池充电
  • 借助电流监控输出 (ISET) 功能可支持高达 1.5A 的充电电流
  • 针对墙上适配器的高达 1.5A 的可编程输入电流限制
  • 系统输出跟踪电池电压 (BQ24072)
  • 可编程终止电流 (BQ24074)
  • 通过 SYSOFF 输入实现电池断开功能(BQ24075、BQ24079)
  • 可编程预充电和快速充电安全计时器
  • 反向电流、短路和热保护
  • NTC 热敏电阻输入
  • 专有启动序列可限制浪涌电流
  • 具有充电中/充电完成和电源正常的状态指示
  • 安全相关认证:
    • IEC 62368-1 认证 (BQ24072)
Number of series cells1
Charge current (max) (A)1.5
Vin (max) (V)6.4
Cell chemistryLi-Ion/Li-Polymer
Battery charge voltage (min) (V)4.2
Battery charge voltage (max) (V)4.2
Absolute max Vin (max) (V)28
Control topologyLinear
Control interfaceStandalone (RC-Settable)
FeaturesBAT temp thermistor monitoring (hot/cold profile), IC thermal regulation, Input OVP, Power Path, VINDPM (Input voltage threshold to maximize adaptor power)
Vin (min) (V)4.35
RatingCatalog
Operating temperature range (°C)-40 to 85
VQFN (RGT)169 mm² 3 x 3
产品购买
  • 商品型号
  • 封装
  • 工作温度
  • 包装
  • 价格
  • 现货库存
  • 操作
10s
温馨提示:
订单商品问题请移至我的售后服务提交售后申请,其他需投诉问题可移至我的投诉提交,我们将在第一时间给您答复
返回顶部