h1_key

TI(德州仪器) TPS65100-Q1
德州仪器 (TI) 全系列产品在线购买
  • TI(德州仪器) TPS65100-Q1
  • TI(德州仪器) TPS65100-Q1
  • TI(德州仪器) TPS65100-Q1
  • TI(德州仪器) TPS65100-Q1
  • TI(德州仪器) TPS65100-Q1
  • TI(德州仪器) TPS65100-Q1
立即查看
您当前的位置: 首页 > 电源管理 > LCD 和 OLED 显示电源和驱动器 > TPS65100-Q1
TPS65100-Q1

TPS65100-Q1

正在供货

具有升压转换器、双电荷泵和 LDO 控制器的汽车类 2.7V 至 5.8V LCD 电源

产品详情
  • 说明
  • 特性
  • 参数
  • 封装 | 引脚 | 尺寸

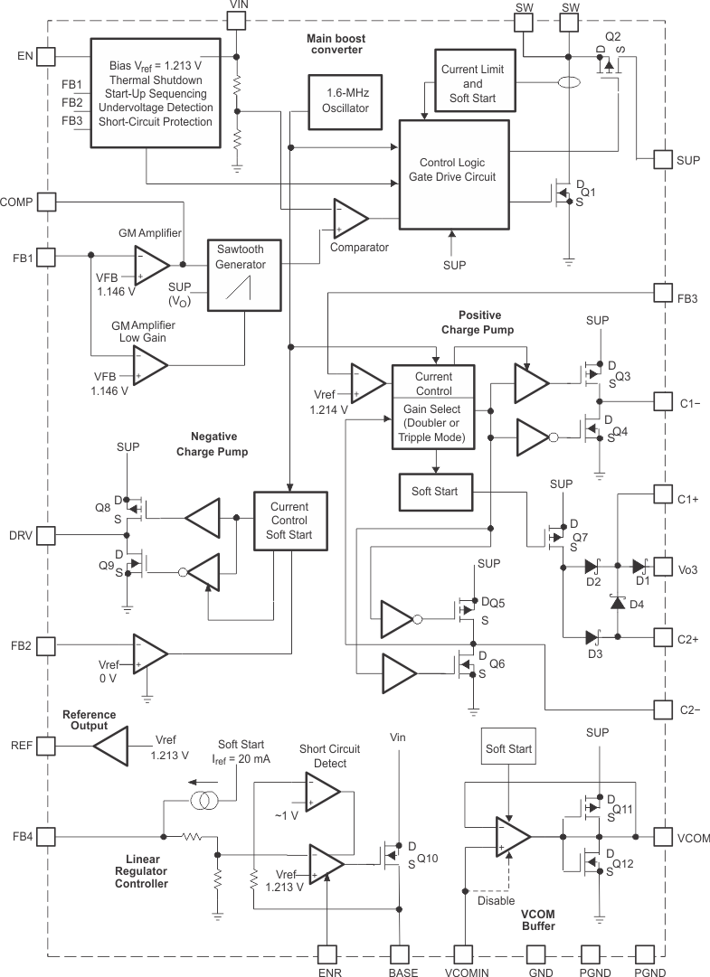
The TPS65100-Q1 device offers a compact and small power supply solution that provides all three voltages required by thin-film transistor (TFT) LCD displays. The auxiliary linear regulator controller can be used to generate a 3.3-V logic power rail for systems powered by a 5-V supply rail only.

The main output, VO1, is a 1.6-MHz fixed-frequency PWM boost converter that provides the source-drive voltage for the LCD display. The TPS65100-Q1 has a typical switch current limit of 2.3 A. A fully integrated adjustable charge pump doubler-tripler provides the positive LCD gate-drive voltage. An externally adjustable negative charge pump provides the negative gate-drive voltage.

The TPS65100-Q1 has an integrated VCOM buffer to power the LCD backplane. For LCD panels powered by 5 V only, the TPS65100-Q1 device has a linear regulator controller using an external transistor to provide a regulated 3.3-V output for the digital circuits. For maximum safety, the TPS65100-Q1 device goes into shutdown as soon as one of the outputs is out of regulation. The device can be enabled again by toggling the input or the enable (EN) pin to GND.

  • Qualified for Automotive Applications
  • AEC-Q100 Qualified With the Following Results:
    • Device Temperature Grade 1: –40°C to 125°C Ambient Operating Temperature Range
    • Device HBM ESD Classification Level 2
    • Device CDM ESD Classification Level C5
  • Input Voltage Range: 2.7-V to 5.8-V
  • VO1 Boost Converter
    • Up to 15 V Output Voltage
    • Virtual Synchronous Converter Topology
    • < 1% Output Voltage Accuracy
    • 1.6-MHz Fixed Switching Frequency
    • 2.3-A Switch Current Limit
  • VO2 Negative Regulated Charge Pump
    • Down to -12 V / 20 mA
  • VO3 Positive Regulated Charge Pump
    • Up to 30 V / 20 mA
  • Three Independently Adjustable Outputs
  • Integrated VCOM Buffer
  • Auxiliary 3.3-V Linear Regulator Controller
  • Internal Soft Start
  • Internal Power-On Sequencing
  • Protection Features
    • Short-Circuit Detection of all Outputs
    • Overvoltage Protection of all Outputs
    • Thermal Shutdown
  • Available in TSSOP-24 PowerPAD™ Package
Display typeAutomotive, LCD unipolar
IC integrationLCD bias, VCOM
Vin (min) (V)2.7
Vin (max) (V)5.8
Applications7 inches or less, 7 to 13 inches
Source driver voltage (min) (V)5
Source driver voltage (max) (V)15
Level shifter/scan driver (Ch)0
V_POS (max) (V)30
V_NEG (max) (V)-2
FeaturesVCOM or op amp
TopologyBoost
RatingAutomotive
Operating temperature range (°C)-40 to 125
HTSSOP (PWP)2449.92 mm² 7.8 x 6.4
产品购买
  • 商品型号
  • 封装
  • 工作温度
  • 包装
  • 价格
  • 现货库存
  • 操作
10s
温馨提示:
订单商品问题请移至我的售后服务提交售后申请,其他需投诉问题可移至我的投诉提交,我们将在第一时间给您答复
返回顶部