h1_key

TI(德州仪器) LM3406HV
德州仪器 (TI) 全系列产品在线购买
  • TI(德州仪器) LM3406HV
  • TI(德州仪器) LM3406HV
  • TI(德州仪器) LM3406HV
  • TI(德州仪器) LM3406HV
  • TI(德州仪器) LM3406HV
  • TI(德州仪器) LM3406HV
立即查看
您当前的位置: 首页 > 电源管理 > LED 驱动器 > 照明 LED 驱动器 > LM3406HV
LM3406HV

LM3406HV

正在供货

75V 1.5A 恒流 LED 降压驱动器

产品详情
  • 说明
  • 特性
  • 参数
  • 封装 | 引脚 | 尺寸

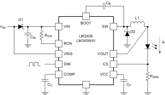
The LM3406 family are monolithic switching regulators designed to deliver constant currents to high power LEDs. Ideal for automotive, industrial, and general lighting applications, they contain a high-side N-channel MOSFET switch with a current limit of 2.0A (typical) for step-down (Buck) regulators. Controlled on-time with true average current and an external current sense resistor allow the converter output voltage to adjust as needed to deliver a constant current to series and series-parallel connected LED arrays of varying number and type. LED dimming via pulse width modulation (PWM) is achieved using a dedicated logic pin or by PWM of the power input voltage. The product feature set is rounded out with low-power shutdown and thermal shutdown protection.

  • LM3406HV-Q1
    • Automotive Grade Device
    • AEC-Q100 Grade 1 Qualified
    • Operating Ambient Temperature: –40°C to 125°C
  • Integrated 2.0A MOSFET
  • VIN Range 6V to 42V (LM3406)
  • VIN Range 6V to 75V (LM3406HV)
  • VIN Range 6V to 75V (LM3406HV-Q1)
  • True Average Output Current Control
  • 1.7A Minimum Output Current Limit Over Temperature
  • Cycle-by-Cycle Current Limit
  • PWM Dimming with Dedicated Logic Input
  • PWM Dimming with Power Input Voltage
  • Simple Control Loop Compensation
  • Low Power Shutdown
  • Supports All-Ceramic Output Capacitors and Capacitor-less Outputs
  • Thermal Shutdown Protection
  • TSSOP-14 Package
Input voltage typeDC/DC
TopologyBuck
Vin (min) (V)6
Vin (max) (V)75
Vout (max) (V)73
Vout (min) (V)0.2
Iout (max) (A)1.5
Iq (typ) (mA)1.2
FeaturesAdjustable Switch Frequency, Enable/Shutdown, Integrated Switch, Precision Dimming Control, Thermal shutdown
Operating temperature range (°C)-40 to 125
Dimming method2-Wire, PWM
Number of channels1
RatingCatalog
HTSSOP (PWP)1432 mm² 5 x 6.4
产品购买
  • 商品型号
  • 封装
  • 工作温度
  • 包装
  • 价格
  • 现货库存
  • 操作
10s
温馨提示:
订单商品问题请移至我的售后服务提交售后申请,其他需投诉问题可移至我的投诉提交,我们将在第一时间给您答复
返回顶部