h1_key

TI(德州仪器) TPS3808-EP
德州仪器 (TI) 全系列产品在线购买
  • TI(德州仪器) TPS3808-EP
  • TI(德州仪器) TPS3808-EP
  • TI(德州仪器) TPS3808-EP
  • TI(德州仪器) TPS3808-EP
  • TI(德州仪器) TPS3808-EP
  • TI(德州仪器) TPS3808-EP
立即查看
您当前的位置: 首页 > 电源管理 > 监控器和复位 IC > TPS3808-EP
TPS3808-EP

TPS3808-EP

正在供货

低静态电流可编程延迟监控电路(增强型产品)

产品详情
  • 说明
  • 特性
  • 参数
  • 封装 | 引脚 | 尺寸

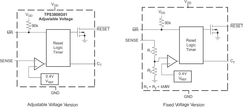
The TPS3808xxx family of microprocessor supervisory circuits monitors system voltages from 0.4 V to 5.0 V, asserting an open-drain RESET signal when the SENSE voltage drops below a preset threshold or when the manual reset (MR) pin drops to a logic low. The RESET output remains low for the user-adjustable delay time after the SENSE voltage and manual reset (MR) return above the respective thresholds.

The TPS3808 uses a precision reference to achieve 0.5% threshold accuracy for VIT ≤ 3.3 V. The reset delay time can be set to 20 ms by disconnecting the CT pin, 300 ms by connecting the CT pin to VDD using a resistor, or can be user-adjusted between 1.25 ms and 10 s by connecting the CT pin to an external capacitor. The TPS3808 has a very low typical quiescent current of 2.4 µA, so it is well-suited to battery-powered applications. It is available in a small SOT-23 package, and is fully specified over a temperature range of –55°C to +125°C (TJ).

  • Controlled Baseline
    • One Assembly Site
    • One Test Site
    • One Fabrication Site
  • Extended Temperature Performance of
    –55°C to 125°C
  • Enhanced Diminishing Manufacturing Sources
    (DMS) Support
  • Enhanced Product-Change Notification
  • Qualification Pedigree1
  • Power-On Reset Generator With Adjustable
    Delay Time: 1.25 ms to 10 s
  • Very Low Quiescent Current: 2.4 µA Typical
  • High Threshold Accuracy: 0.5% Typical
  • Fixed Threshold Voltages for Standard Voltage
    Rails From 0.9 V to 5 V and Adjustable Voltage
    Down to 0.4 V Are Available
  • Manual Reset (MR) Input
  • Open-Drain RESET Output
  • Temperature Range: –55°C to 125°C
  • Small SOT-23 Package
Number of supplies monitored1
Threshold voltage 1 (typ) (V)0.405, 3.07
FeaturesManual reset capable, Reset time delay, Separate VDD & sense, Undervoltage monitor only
Reset threshold accuracy (%)0.5
Iq (typ) (mA)0.0024
Output driver type/reset outputActive-low, Open-drain
Time delay (ms)1.25, 20, 300, 1200
Supply voltage (min) (V)1.7, 1.8
Supply voltage (max) (V)6.5
RatingHiRel Enhanced Product
Watchdog timer WDI (s)None
Operating temperature range (°C)-55 to 125
SOT-23 (DBV)68.12 mm² 2.9 x 2.8
产品购买
  • 商品型号
  • 封装
  • 工作温度
  • 包装
  • 价格
  • 现货库存
  • 操作
10s
温馨提示:
订单商品问题请移至我的售后服务提交售后申请,其他需投诉问题可移至我的投诉提交,我们将在第一时间给您答复
返回顶部