h1_key

TI(德州仪器) TPS40090-Q1
德州仪器 (TI) 全系列产品在线购买
  • TI(德州仪器) TPS40090-Q1
  • TI(德州仪器) TPS40090-Q1
  • TI(德州仪器) TPS40090-Q1
  • TI(德州仪器) TPS40090-Q1
  • TI(德州仪器) TPS40090-Q1
  • TI(德州仪器) TPS40090-Q1
立即查看
您当前的位置: 首页 > 电源管理 > 直流/直流开关稳压器 > 降压稳压器 > TPS40090-Q1
TPS40090-Q1

TPS40090-Q1

正在供货

汽车类 4.5V 至 15V 多相同步降压控制器

产品详情
  • 说明
  • 特性
  • 参数
  • 封装 | 引脚 | 尺寸

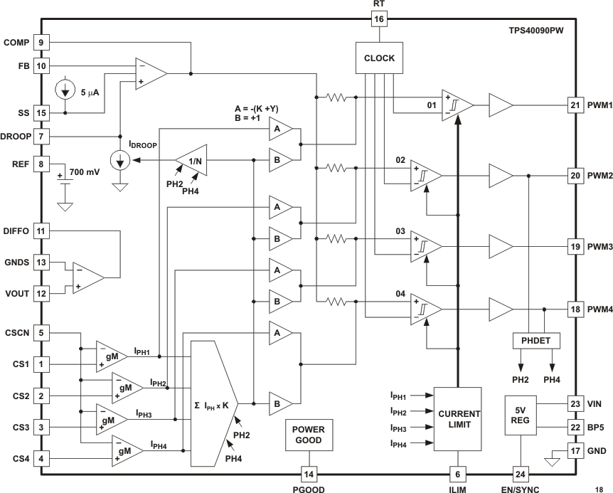
The TPS40090 is a two-, three-, or four-phase programmable synchronous buck controller that is optimized for low-voltage, high-current applications powered by a 5-V to 15-V distributed supply. A multi-phase converter offers several advantages over a single power stage including lower current ripple on the input and output capacitors, faster transient response to load steps, improved power handling capabilities, and higher system efficiency.

Each phase can be operated at a switching frequency up to 1-MHz, resulting in an effective ripple frequency of up to 4-MHz at the input and the output in a four-phase application. A two-phase design operates 180° out of phase, a three-phase design operates 120° out of phase, and a four-phase design operates 90° out of phase, as shown in Figure 1.

The number of phases is programmed by connecting the deactivated phase PWM output to the output of the internal 5-V LDO. In two-phase operation the even phase outputs should be deactivated.

The TPS40090 uses fixed frequency, peak current mode control with forced phase current balancing. When compared to voltage mode control, current mode results in a simplified feedback network and reduced input line sensitivity. Phase current is sensed by using either current sense resistors installed in series with output inductors or, for improved efficiency, by using the DCR (direct current resistance) of the filter inductors. The latter method involves generation of a current proportional signal with an R-C circuit (shown in Figure 11).

The R-C values are selected by matching the time constants of the R-C circuit and the inductor; R-C = L/DCR. With either current sense method, the current signal is amplified and superimposed on the amplified voltage error signal to provide current mode PWM control.

An output voltage droop can be programmed to improve the transient window and reduce size of the output filter. Other features include a single voltage operation, a true differential sense amplifier, a programmable current limit, soft-start, and a power good indicator.

  • Qualified for Automotive Applications
  • Two-, Three-, or Four-Phase Operation
  • 5-V to 15-V Operating Range
  • Programmable Switching Frequency Up to 1-MHz/Phase
  • Current Mode Control With Forced Current Sharing(1)
  • 1% Internal 0.7-V Reference
  • Resistive Divider Set Output Voltage
  • True Remote Sensing Differential Amplifier
  • Resistive or DCR Current Sensing
  • Current Sense Fault Protection
  • Programmable Load Line
  • Compatible with UCC37222 Predictive Gate Drive™ Technology Drivers
  • 24-Pin Space-Saving TSSOP Package
  • Binary Outputs
  • APPLICATIONS
    • Internet Servers
    • Network Equipment
    • Telecommunications Equipment
    • DC Power Distributed Systems

(1) Patent pending
Predictive Gate Drive is a trademark of Texas Instruments.

Vin (min) (V)4.5
Vin (max) (V)15
Vout (min) (V)0.7
Vout (max) (V)3.3
Iout (max) (A)120
Iq (typ) (mA)4
Switching frequency (min) (kHz)100
Switching frequency (max) (kHz)1000
FeaturesAdjustable current limit, Enable, Frequency synchronization, Phase Interleaving, Power good, Synchronous Rectification
Operating temperature range (°C)-40 to 125
Regulated outputs (#)1
Number of phases4
RatingAutomotive
Control modecurrent mode
TypeController
TSSOP (PW)2449.92 mm² 7.8 x 6.4
产品购买
  • 商品型号
  • 封装
  • 工作温度
  • 包装
  • 价格
  • 现货库存
  • 操作
10s
温馨提示:
订单商品问题请移至我的售后服务提交售后申请,其他需投诉问题可移至我的投诉提交,我们将在第一时间给您答复
返回顶部