h1_key

TI(德州仪器) TLC5944
德州仪器 (TI) 全系列产品在线购买
  • TI(德州仪器) TLC5944
  • TI(德州仪器) TLC5944
  • TI(德州仪器) TLC5944
  • TI(德州仪器) TLC5944
  • TI(德州仪器) TLC5944
  • TI(德州仪器) TLC5944
立即查看
您当前的位置: 首页 > 电源管理 > LED 驱动器 > LED 显示驱动器 > TLC5944
TLC5944

TLC5944

正在供货

具有 6 位点校正功能和预充电 FET 的 16 通道、12 位 PWM LED 驱动器

产品详情
  • 说明
  • 特性
  • 参数
  • 封装 | 引脚 | 尺寸

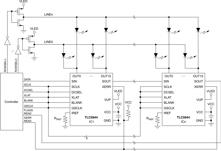
The TLC5944 is a 16-channel, constant current sink driver. Each channel is individually adjustable with 4096 pulse-width modulated (PWM) steps and 64 constant sink current (dot correction) steps. The dot correction (DC) adjusts for brightness variations between LEDs. Both grayscale (GS) control and DC are accessible via a common serial interface port. The maximum current value of all 16 channels can be set by a single external resistor.

The TLC5944 has an internal pre-charge FET to prevent the ghost-lighting phenomenon that occurs on multiplexed LED systems. The TLC5944 has three error detection circuits for LED open detection (LOD), a thermal error flag (TEF), and a pre-thermal warning (PTW). The LOD detects a broken or disconnected LED, and a shorted LED to GND during the display period. The TEF indicates a too-high temperature condition; when the TEF is set, all output drivers are turned off by the thermal shutdown (TSD) protection. Additionally, when the TEF is cleared, all output drivers are restarted. The PTW indicates that the IC is operating in a high temperature condition. The output drivers remain on when PTW is set.

  • 16 Channels, Constant Current Sink Output
  • 60-mA Capability (Constant Current Sink)
  • 12-Bit (4096 Steps) Grayscale Control with PWM
  • 6-Bit (64 Steps) Dot Correction with Sink Current
  • Internal Pre-Charge FET to Prevent LED Ghosting Phenomenon on Multiplexed LED Systems
  • LED Power-Supply Voltage up to 15 V
  • VCC = 3.0 V to 5.5 V
  • Constant Current Accuracy:
    • Channel-to-Channel = ±1%
    • Device-to-Device = ±3%
  • CMOS Logic Level I/O
  • 30-MHz Data Transfer Rate
  • 33-MHz Grayscale Control Clock
  • Continuous Base LED Open Detection (LOD):
    • Detect LED opening and LED short to GND during display with auto output off function
  • Thermal Shutdown (TSD):
    • Automatic shutdown at over-temperature conditions
    • Restart under normal temperature
  • Pre-Thermal Warning (PTW):
    • High temperature operation alert
  • Readable Error Information:
    • LED Open Detection (LOD)
    • Thermal Error Flag (TEF)
    • Pre-Thermal Warning (PTW)
  • Noise Reduction:
    • 4-channel grouped delay to prevent inrush current
  • Operating Temperature: -40°C to +85°C
  • APPLICATIONS
    • Monochrome, Multicolor, Full-Color LED Displays Using Multiplexing System
    • LED Signboards Using Multiplexing System

All trademarks are the property of their respective owners.

FeaturesDot Correction, Error Flag, Fault Detection, LED Open Detection, LED Short to Ground Detection, LED Short to VLED Detection, PWM LED Driver, Power good, Thermal shutdown
Analog dimming steps64
Data transfer rate (typ) (MHz)30
Ch to ch accuracy (typ) (±%)1
RatingCatalog
Operating temperature range (°C)-40 to 85
HTSSOP (PWP)2862.08 mm² 9.7 x 6.4
VQFN (RHB)3225 mm² 5 x 5
产品购买
  • 商品型号
  • 封装
  • 工作温度
  • 包装
  • 价格
  • 现货库存
  • 操作
10s
温馨提示:
订单商品问题请移至我的售后服务提交售后申请,其他需投诉问题可移至我的投诉提交,我们将在第一时间给您答复
返回顶部