h1_key

TI(德州仪器) LM26484
德州仪器 (TI) 全系列产品在线购买
  • TI(德州仪器) LM26484
  • TI(德州仪器) LM26484
  • TI(德州仪器) LM26484
  • TI(德州仪器) LM26484
  • TI(德州仪器) LM26484
  • TI(德州仪器) LM26484
立即查看
您当前的位置: 首页 > 电源管理 > 多通道 IC (PMIC) > LM26484
LM26484

LM26484

正在供货

两个直流/直流转换器和一个 LDO 可配置 PMIC

产品详情
  • 说明
  • 特性
  • 参数
  • 封装 | 引脚 | 尺寸

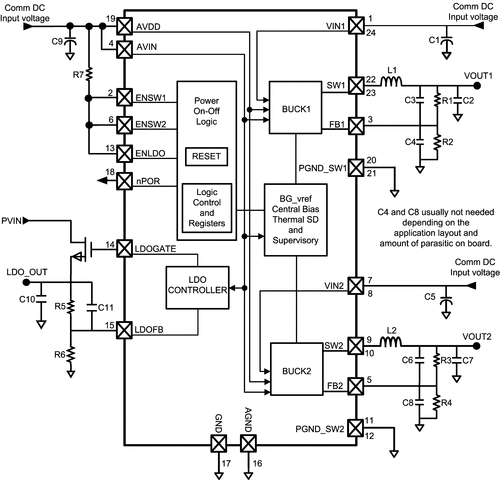
The LM26484 is a multi-function, configurable Power Management Unit. This device integrates two highly efficient 2.0A Step-Down DC/DC converters, one LDO Controller, a POR (Power On Reset) circuit, and thermal overload protection circuitry. All regulator output voltages are externally adjustable. The LDO controller is a low-voltage NMOS voltage regulator. The LM26484 is offered in a 5 x 4 x 0.8 mm WQFN-24 pin package.

  • Step-Down DC/DC Converter (Buck)
    • 3.0–5.5V Input Range
    • Externally Adjustable VOUT:
    • Bucks 1 & 2: 0.8V–3.5V @ 2A
    • 180° Phase Shift Between Bucks Clocks
    • 2 MHz PWM Switching Frequency
    • ±1% feedback Voltage Accuracy
    • Automatic Soft Start
    • Current Overload Protection
    • PWM/PFM efficiency Modes Available
  • Linear Regulator (LDO) Controller
    • 3.0V–5.5V Input Range
    • Externally Adjustable VOUT
    • ±1.5% Feedback Voltage Accuracy
    • Regulated to Low VIN - Low VOUT LI-LO (Low Input Low Output) NFET Operation
    • Input to the LI-LO Configuration, Can Be Post Regulated When Supply is Regulated by Buck2
    • Up to 1000 mA Output Current by Selection of External FET

All trademarks are the property of their respective owners.

Regulated outputs (#)3
ConfigurabilityHardware configurable
Vin (min) (V)3
Vin (max) (V)5.5
Iout (max) (A)2
FeaturesEnable, Overcurrent protection, Power good, Power sequencing, Synchronous rectification, Thermal shutdown, UVLO fixed
Step-up DC/DC converter0
Step-down DC/DC converter2
Step-down DC/DC controller0
Step-up DC/DC controller0
LDO1
RatingCatalog
Switching frequency (max) (kHz)2000
Operating temperature range (°C)-40 to 125
Processor supplierGeneric
Processor nameGeneric
Shutdown current (ISD) (typ) (µA)0.03
Switching frequency (typ) (kHz)2000
WQFN (NHZ)2420 mm² 5 x 4
产品购买
  • 商品型号
  • 封装
  • 工作温度
  • 包装
  • 价格
  • 现货库存
  • 操作
10s
温馨提示:
订单商品问题请移至我的售后服务提交售后申请,其他需投诉问题可移至我的投诉提交,我们将在第一时间给您答复
返回顶部