h1_key

TI(德州仪器) TPS51727
德州仪器 (TI) 全系列产品在线购买
  • TI(德州仪器) TPS51727
  • TI(德州仪器) TPS51727
  • TI(德州仪器) TPS51727
  • TI(德州仪器) TPS51727
  • TI(德州仪器) TPS51727
  • TI(德州仪器) TPS51727
立即查看
您当前的位置: 首页 > 电源管理 > 直流/直流开关稳压器 > 降压稳压器 > TPS51727
TPS51727

TPS51727

正在供货

用于 50A+ 应用的双相 D-CAP+™ 模式降压电源管理 IC

产品详情
  • 说明
  • 特性
  • 参数
  • 封装 | 引脚 | 尺寸

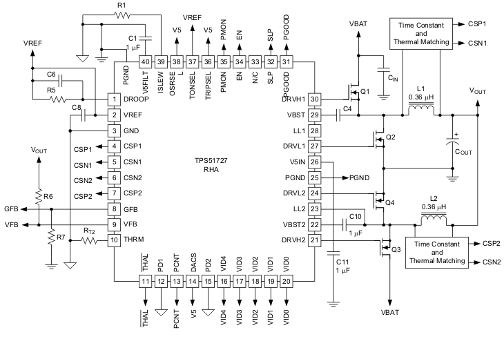
The TPS51727 is a complete, step down controller with integrated gate drivers. The PCNT pin enables operation in dual or single-phase mode to optimize efficiency depending on the load requirements. The advanced D-CAP+ architecture provides fast transient response with minimum output capacitance. The DAC supports VID-on-the-fly transitions to optimize the output voltage to the operating state of the system to meet idle power requirements. The auto-skip feature of the TPS51727 optimizes light-load efficiency in both single and dual phase operation. System management features include an adjustable thermal sensor, output power monitoring and sleep state controls. Adjustable control of VOUT slew rate and voltage positioning are provided. In addition, the TPS51727 includes two high-current MOSFET gate drivers to drive high and low side N-channel MOSFETs with exceptionally high speed and low switching loss The PCNT and VID0 through VID4, pins have flexible LV I/O thresholds that enable interface with logic voltages from 1.0 V to 3.6 V. The TPS51727 is packaged in a space saving, thermally enhanced, RoHS compliant 40-pin QFN and is rated to operate from -10°C to 100°C.

  • Seamless Phase Add/Drop Enables Maximum Efficiency Under Any Load Condition
  • Minimum External Parts Count
  • ±8 mV VOUT Accuracy Over Line/Load/Temp.
  • 5-Bit DAC with 0.4-V to 1.25-V Output Range Supports Wide Range of Applications
  • Optimized Efficiency at Light & Heavy Loads
  • Patent Pending Output Overshoot Reduction (OSR™)
  • Accurate, Adjustable Voltage Positioning
  • Selectable 200/300/400/500 kHz Frequency
  • Pat. pending AutoBalance Phase Balancing
  • Supports Resistor or Inductor DCR Current Sensing
  • Accurate, Selectable Current Limit
  • 4.5-V to 28-V Conversion Voltage Range
  • Fast MOSFET Driver w/Integrated Boost Diode
  • Integrated OVP Can Be Disabled Thermal Sensor and Output Power Monitor
  • Small 6 × 6, 40-Pin QFN PowerPAD™ Package
  • APPLICATIONS
    • High-Current, Low-Voltage Applications for Adapter, Battery, NVDC or 5-V/12-V Rails
Vin (min) (V)4.5
Vin (max) (V)28
Vout (min) (V)0.4
Vout (max) (V)1.25
Iout (max) (A)20
Iq (typ) (mA)2.5
Switching frequency (min) (kHz)200
Switching frequency (max) (kHz)500
FeaturesPower good
Operating temperature range (°C)-10 to 100
Regulated outputs (#)1
Number of phases2
RatingCatalog
Control modeD-CAP+
TypeController
VQFN (RHA)4036 mm² 6 x 6
产品购买
  • 商品型号
  • 封装
  • 工作温度
  • 包装
  • 价格
  • 现货库存
  • 操作
10s
温馨提示:
订单商品问题请移至我的售后服务提交售后申请,其他需投诉问题可移至我的投诉提交,我们将在第一时间给您答复
返回顶部