h1_key

TI(德州仪器) TLC5946
德州仪器 (TI) 全系列产品在线购买
  • TI(德州仪器) TLC5946
  • TI(德州仪器) TLC5946
  • TI(德州仪器) TLC5946
  • TI(德州仪器) TLC5946
  • TI(德州仪器) TLC5946
  • TI(德州仪器) TLC5946
立即查看
您当前的位置: 首页 > 电源管理 > LED 驱动器 > LED 显示驱动器 > TLC5946
TLC5946

TLC5946

正在供货

具有 6 位点校正功能的 16 通道、12 位 PWM LED 驱动器

产品详情
  • 说明
  • 特性
  • 参数
  • 封装 | 引脚 | 尺寸

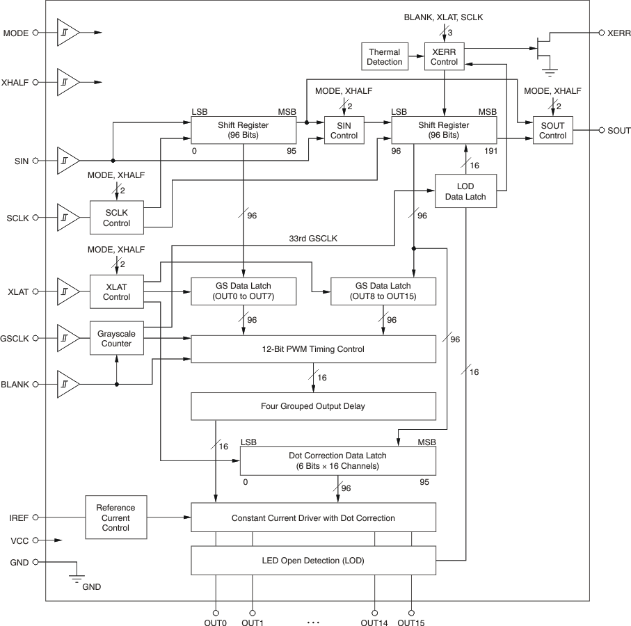
The TLC5946 is a 16-channel, constant current sink LED driver. Each channel is individually adjustable with 4096 pulse-width modulated (PWM) steps and 64 constant current sink steps for dot correction. The dot correction adjusts the brightness variations between LEDs. Both grayscale control and dot correction are accessible via a serial interface. The maximum current value of all 16 channels can be set by a single external resistor.

The TLC5946 has two error information circuits: one for LED open detection (LOD), and a thermal error flag (TEF). LOD detects a broken or disconnected LED during display period. TEF indicates an over-temperature condition.

  • 16 Channels, Constant Current Sink Output
  • 40-mA Capability (Constant Current Sink)
  • 12-Bit (4096 Steps) Grayscale PWM Control
  • 6-Bit (64 Steps) Dot Correction
  • LED Power-Supply Voltage up to 17 V
  • VCC = 3.0 V to 5.5 V
  • Constant Current Accuracy:
    • Channel-to-Channel = ±1% (typ)
    • Device-to-Device = ±2% (typ)
  • 30-MHz Data Transfer Rate
  • 33-MHz Grayscale PWM Clock
  • Extended Serial Interface
  • CMOS Level I/O
  • Schmitt Buffer Input
  • Readable Error Information:
    • Continuous Base LED Open Detection (LOD)
    • Thermal Error Flag (TEF)
  • Noise Reduction:
    • 4-Channel Grouped Delay
  • Operating Temperature: -40°C to +85°C
  • APPLICATIONS
    • Monochrome, Multicolor, Full-Color LED Displays
    • LED Signboards
    • Display Backlighting

PowerPAD is a trademark of Texas Instruments, Inc.

FeaturesDot Correction, Error Flag, Fault Detection, LED Open Detection, LED Short to Ground Detection, LED Short to VLED Detection, PWM LED Driver, Power good
Analog dimming steps64
Data transfer rate (typ) (MHz)30
Ch to ch accuracy (typ) (±%)1
RatingCatalog
Operating temperature range (°C)-40 to 85
HTSSOP (PWP)2862.08 mm² 9.7 x 6.4
TSSOP (PW)2862.08 mm² 9.7 x 6.4
VQFN (RHB)3225 mm² 5 x 5
产品购买
  • 商品型号
  • 封装
  • 工作温度
  • 包装
  • 价格
  • 现货库存
  • 操作
10s
温馨提示:
订单商品问题请移至我的售后服务提交售后申请,其他需投诉问题可移至我的投诉提交,我们将在第一时间给您答复
返回顶部