h1_key

TI(德州仪器) TPS2358
德州仪器 (TI) 全系列产品在线购买
  • TI(德州仪器) TPS2358
  • TI(德州仪器) TPS2358
  • TI(德州仪器) TPS2358
  • TI(德州仪器) TPS2358
  • TI(德州仪器) TPS2358
  • TI(德州仪器) TPS2358
立即查看
您当前的位置: 首页 > 电源管理 > 电源开关 > 电子保险丝和热插拔控制器 > TPS2358
TPS2358

TPS2358

正在供货

具有 Oring 的 8.5V 至 15V 双通道热插拔控制器

产品详情
  • 说明
  • 特性
  • 参数
  • 封装 | 引脚 | 尺寸

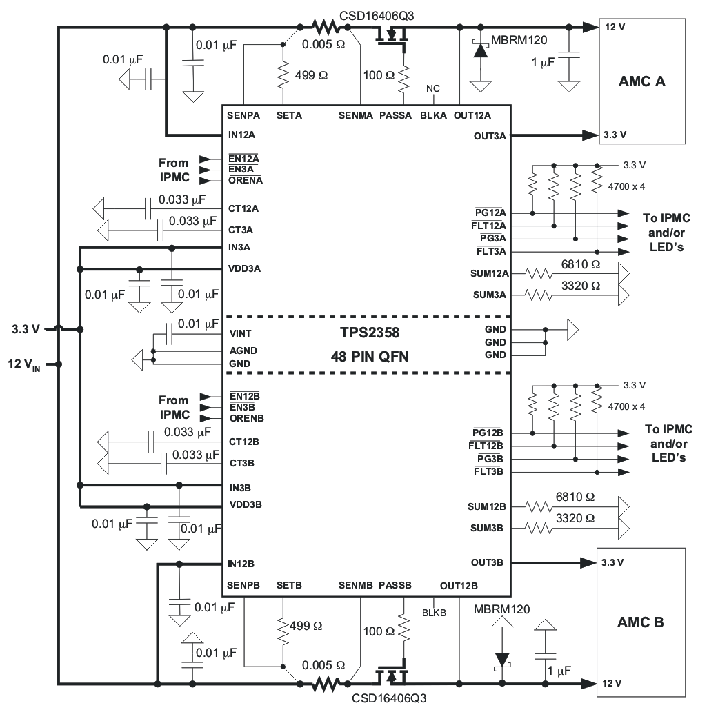
The TPS2358 dual-slot hot-plug controller provides all required power interface functions for two AdvancedMC™ (Advanced Mezzanine Card) modules.

Two fully integrated 3.3-V channels provide inrush control, current limiting, and overload protection. The two 12-V channels use an external FET to provide the same functions, along with ORing control circuits that allow an external FET to prevent reverse current flow. External capacitors are used to set fault times. There is one capacitor for each channel. The 3.3-V current limits are factory set to AdvancedMC™ compliant levels and the 12-V current limits are programmed using external sense resistors. The accurate current sense comparators of the TPS2358 satisfy the narrow ATCA AdvancedMC™ current limit requirements.

  • ATCA AdvancedMC Compliant
  • Full Power Control for Two AdvancedMC™Modules
  • Independent 12-V Current Limit and Fast Trip
  • 12-V FET ORing for MicroTCA
  • Internal 3.3-V Current Limit
  • Power Good and Fault Outputs
  • 48-Pin PQFN Package
  • Latch Off After Fault
  • APPLICATIONS
    • ATCA Carrier Boards
    • MicroTCA™ Power Modules
    • AdvancedMC™ Slots
    • Systems Using 12 V and 3.3 V
    • Base Stations

All trademarks are the property of their respective owners.

FETExternal
Vin (min) (V)8.5
Vin (max) (V)15
Vabsmax_cont (V)17
Current limit (min) (A)0.01
Current limit (max) (A)500
Overcurrent responsecurrent limiting
Fault responseLatch-off
Soft startAdjustable
FeaturesCurrent monitoring, Fault output, Power good signal, Reverse current blocking always
RatingCatalog
Device typeeFuses and hot swap controllers
Operating temperature range (°C)-40 to 85
FunctionAdjustable current limit, Current monitoring, Inrush current control, Power good signal, Reverse current blocking, Short circuit protection
VQFN (RGZ)4849 mm² 7 x 7
产品购买
  • 商品型号
  • 封装
  • 工作温度
  • 包装
  • 价格
  • 现货库存
  • 操作
10s
温馨提示:
订单商品问题请移至我的售后服务提交售后申请,其他需投诉问题可移至我的投诉提交,我们将在第一时间给您答复
返回顶部