h1_key

TI(德州仪器) TPS780
德州仪器 (TI) 全系列产品在线购买
  • TI(德州仪器) TPS780
  • TI(德州仪器) TPS780
  • TI(德州仪器) TPS780
  • TI(德州仪器) TPS780
  • TI(德州仪器) TPS780
  • TI(德州仪器) TPS780
立即查看
您当前的位置: 首页 > 电源管理 > 线性和低压降 (LDO) 稳压器 > TPS780
TPS780

TPS780

正在供货

具有引脚可选双电平输出电压的 150mA 毫微级 IQ、低压降稳压器

产品详情
  • 说明
  • 特性
  • 参数
  • 封装 | 引脚 | 尺寸

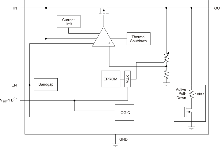
The TPS780 family of low-dropout (LDO) regulators offer the benefits of ultralow power, miniaturized packaging, and selectable dual-level output voltage levels with the VSET pin.

The ultralow-power and dynamic voltage scaling (DVS) capability which provides dual-level output voltages let designers customize power consumption for specific applications. Designers can now shift to a lower voltage level in a battery-powered design when the microprocessor is in sleep mode, further reducing overall system power consumption. The two voltage levels are preset at the factory and are stored using EPROM and are available on fixed output voltage devices.

The TPS780 series of LDOs are designed to be compatible with the TI MSP430 and other similar products. The enable pin is compatible with standard CMOS logic. The TPS780 series also come with thermal shutdown and current limit to protect the device during fault conditions. All packages have an operating temperature range of TJ = –40°C to 125°C. For more cost-sensitive applications requiring a dual-level voltage option and only on par IQ, consider the TPS781 series, with an IQ of 1.0 µA and dynamic voltage scaling.

  • Low IQ: 500 nA
  • 150-mA, Low-Dropout Regulator With Pin-Selectable
    Dual Voltage Level Output
  • Low Dropout: 200 mV at 150 mA
  • 3% Accuracy Over Load, Line, and Temperature
  • Available in Dual-Level, Fixed-Output Voltages
    From 1.5 V to 4.2 V
  • Available in an Adjustable Version from 1.22 V
    to 5.25 V or a Dual-Level Output Version
  • VSET Pin Toggles Output Voltage
    Between Two Factory-Programmed Voltage Levels
  • Stable with a 1.0-µF Ceramic Capacitor
  • Thermal Shutdown and Overcurrent Protection
  • CMOS Logic Level-Compatible Enable Pin
  • Available in DDC (TSOT23-5) or DRV (2-mm ×
    2-mm SON-6) Package Options
Output optionsAdjustable Output, Dual output, Fixed Output
Iout (max) (A)0.15
Vin (max) (V)5.5
Vin (min) (V)2.2
Vout (max) (V)5.25
Vout (min) (V)1.2
Fixed output options (V)1.8, 2, 2.2, 2.3, 2.5, 2.7, 3, 3.3
Noise (µVrms)86
Iq (typ) (mA)0.0005
Thermal resistance θJA (°C/W)66
RatingCatalog
Load capacitance (min) (µF)1
Regulated outputs (#)1
FeaturesEnable, Output discharge
Accuracy (%)3
PSRR at 100 KHz (dB)13
Dropout voltage (Vdo) (typ) (mV)200
Operating temperature range (°C)-40 to 125
SOT-23-THN (DDC)58.12 mm² 2.9 x 2.8
WSON (DRV)64 mm² 2 x 2
产品购买
  • 商品型号
  • 封装
  • 工作温度
  • 包装
  • 价格
  • 现货库存
  • 操作
10s
温馨提示:
订单商品问题请移至我的售后服务提交售后申请,其他需投诉问题可移至我的投诉提交,我们将在第一时间给您答复
返回顶部