h1_key

TI(德州仪器) LM3423
德州仪器 (TI) 全系列产品在线购买
  • TI(德州仪器) LM3423
  • TI(德州仪器) LM3423
  • TI(德州仪器) LM3423
  • TI(德州仪器) LM3423
  • TI(德州仪器) LM3423
  • TI(德州仪器) LM3423
立即查看
您当前的位置: 首页 > 电源管理 > LED 驱动器 > 照明 LED 驱动器 > LM3423
LM3423

LM3423

正在供货

具有串联 DIM FET 驱动器和故障标志功能的 N 沟道恒流 LED 驱动器控制器

产品详情
  • 说明
  • 特性
  • 参数
  • 封装 | 引脚 | 尺寸

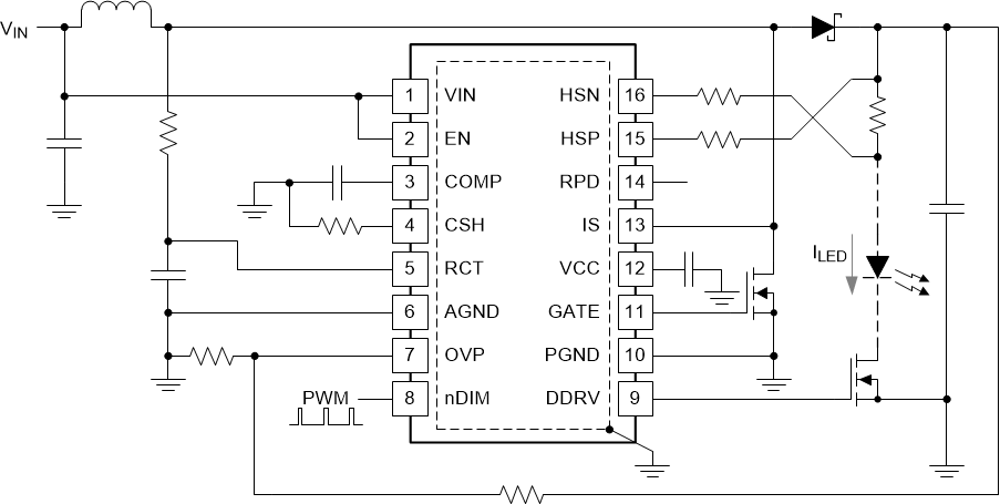
LM3421 和 LM3423 系列器件是适用于 LED 驱动器的多功能高压 N 沟道 MOSFET 控制器。可以轻松为降压、升压、降压/升压和 SEPIC 拓扑配置这些器件。这一灵活性以及 75V 的输入电压额定值使得这些控制器非常适合在多种应用中 点亮 LED。

可调节高侧电流感应电压允许以尽可能高的效率对 LED 电流进行严格稳压。LM3421 和 LM3423 器件采用预测性关闭时间 (PRO) 控制,此控制集成了峰值电流模式控制和预测性关闭计时器。这种控制方法简化了环路补偿设计,并提供了固有的输入电压前馈补偿。

LM3421 和 LM3423 器件包含一个高电压启动稳压器,此稳压器能够在 4.5V 至 75V 的宽输入范围内工作。PWM 控制器专为高达 2MHz 的可调节开关频率而设计,因此可实现紧凑的解决方案。

  • VIN 范围从 4.5V 至 75V
  • 高侧可调节电流感应
  • 2Ω、1A 峰值 MOSFET 栅极驱动器
  • 输入欠压和输出过压保护
  • PWM 和模拟调光
  • 逐周期电流限制
  • 可编程开关频率
  • 零电流关断和热关断
  • LED 输出状态标志(仅 LM3423 和 LM3423-Q0)
  • 故障状态标志和计时器(仅 LM3423 和 LM3423-Q0)
Input voltage typeDC/DC
TopologyBoost, Boost Controller, Buck-Boost, SEPIC
Vin (min) (V)4.5
Vin (max) (V)75
Vout (max) (V)72
Vout (min) (V)3
Iout (max) (A)5
Iq (typ) (mA)2
FeaturesAdjustable Switch Frequency, Enable/Shutdown, Thermal shutdown
Operating temperature range (°C)-40 to 125
Dimming methodAnalog, PWM
Number of channels1
RatingCatalog
HTSSOP (PWP)2041.6 mm² 6.5 x 6.4
产品购买
  • 商品型号
  • 封装
  • 工作温度
  • 包装
  • 价格
  • 现货库存
  • 操作
10s
温馨提示:
订单商品问题请移至我的售后服务提交售后申请,其他需投诉问题可移至我的投诉提交,我们将在第一时间给您答复
返回顶部