h1_key

TI(德州仪器) BQ24125
德州仪器 (TI) 全系列产品在线购买
  • TI(德州仪器) BQ24125
  • TI(德州仪器) BQ24125
  • TI(德州仪器) BQ24125
  • TI(德州仪器) BQ24125
  • TI(德州仪器) BQ24125
  • TI(德州仪器) BQ24125
立即查看
您当前的位置: 首页 > 电源管理 > 电池管理 IC > 电池充电器 IC > BQ24125
BQ24125

BQ24125

正在供货

具有增强型 EMI 性能的独立 1 至 3 节 2A 同步降压电池充电器

产品详情
  • 说明
  • 特性
  • 参数
  • 封装 | 引脚 | 尺寸

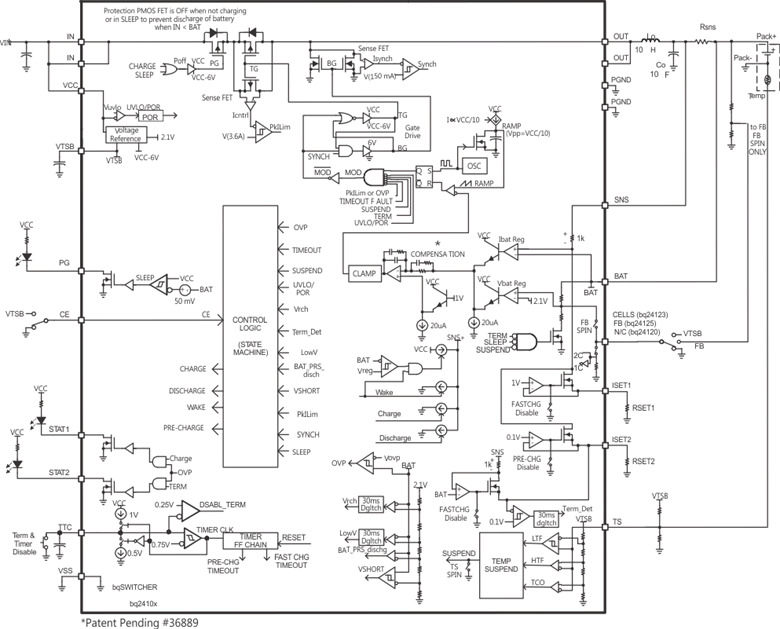
The bqSWITCHER™ series are highly integrated Li-ion and Li-polymer switched-mode charge management devices targeted at a wide range of portable applications. The bqSWITCHER™ series offers integrated synchronous PWM controller and power FETs, high-accuracy current and voltage regulation, charge preconditioning, charge status, and charge termination, in a small, thermally enhanced QFN package.

The bqSWITCHER charges the battery in three phases: conditioning, constant current, and constant voltage. Charge is terminated based on user-selectable minimum current level. A programmable charge timer provides a safety backup for charge termination. The bqSWITCHER automatically restarts the charge cycle if the battery voltage falls below an internal threshold. The bqSWITCHER automatically enters sleep mode when VCC supply is removed.

  • Enhanced EMI Performance
  • Integrated Power FETs For Up To 2-A Charge
    Rate
  • Suitable For 1-, 2-, or 3-Cell Li-Ion and Li-Polymer
    Battery Packs
  • Synchronous Fixed-Frequency PWM Controller
    Operating at 1.1 MHz With 0% to 100% Duty
    Cycle
  • High-Accuracy Voltage and Current Regulation
  • Status Outputs For LED or Host Processor
    Interface Indicates Charge-In-Progress, Charge
    Completion, Fault, and AC-Adapter Present
    Conditions
  • 20-V Absolute Maximum Voltage Rating on IN and
    OUT Pins
  • Accurate High-Side Battery Current Sensing
  • Battery Temperature Monitoring
  • Automatic Sleep Mode for Low Power
    Consumption
  • Reverse Leakage Protection Prevents Battery
    Drainage
  • Thermal Shutdown and Protection
  • Built-In Battery Detection
  • Available in 20-pin 3.5-mm × 4.5-mm VQFN
    Package
Number of series cells1, 2, 3
Charge current (max) (A)2
Vin (max) (V)16
Cell chemistryLi-Ion/Li-Polymer
Battery charge voltage (min) (V)2.1
Battery charge voltage (max) (V)15.5
Absolute max Vin (max) (V)20
Control topologySwitch-Mode Buck
Control interfaceStandalone (RC-Settable)
FeaturesBAT temp thermistor monitoring (hot/cold profile), Input OVP
Vin (min) (V)4.35
RatingCatalog
Operating temperature range (°C)-40 to 125
VQFN (RHL)2015.75 mm² 4.5 x 3.5
产品购买
  • 商品型号
  • 封装
  • 工作温度
  • 包装
  • 价格
  • 现货库存
  • 操作
10s
温馨提示:
订单商品问题请移至我的售后服务提交售后申请,其他需投诉问题可移至我的投诉提交,我们将在第一时间给您答复
返回顶部