h1_key

TI(德州仪器) INA823
德州仪器 (TI) 全系列产品在线购买
  • TI(德州仪器) INA823
  • TI(德州仪器) INA823
  • TI(德州仪器) INA823
  • TI(德州仪器) INA823
  • TI(德州仪器) INA823
  • TI(德州仪器) INA823
立即查看
您当前的位置: 首页 > 放大器 > 仪表放大器 > INA823
INA823

INA823

正在供货

精密 (100µV)、低功耗 (250µA)、宽电源(2.7V 至 36V)仪表放大器

产品详情
  • 说明
  • 特性
  • 参数
  • 封装 | 引脚 | 尺寸

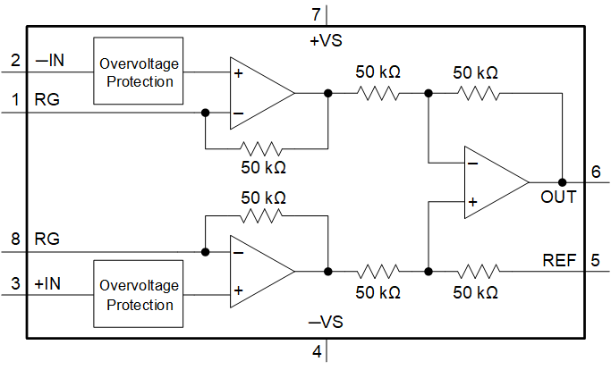
INA823 是一款集成仪表放大器,可提供低功耗并且可在较宽的单电源或双电源电压范围内工作。可通过单个外部电阻器在 1 到 10,000 范围内设置任意增益。该器件可提供低输入失调电压、低失调电压漂移、低输入偏置电流和低电流噪声,同时具有成本效益。附加电路可以为输入提供高达 ±60V 的过压保护。

INA823 经过优化,可提供较高的共模抑制比。当 G = 1 时,整个输入共模范围内共模抑制比超过 84dB。INA823 可实现宽共模电压范围,电压低至负电源以下 150mV。根据设计,此器件采用低电压运行,由 2.7V 单电源和高达 ±18V 的双电源供电。可提供低功耗并且可在单电源下工作,因而可支持手持电池供电系统。

  • 输入过压保护高达 ±60V
  • 输入电压扩展到负电源以下 150mV
  • 低电源电流:180µA(典型值)
  • 精密性能:
    • 低失调电压:20µV(典型值),100µV(最大值)
    • 低输入偏置电流:8nA(最大值)
    • 共模抑制:
      • 84dB,G = 1(最小值)
      • 104dB,G = 10(最小值)
      • 120dB,G ≥ 100(最小值)
    • 电源抑制:100dB,G = 1(最小值)
  • 输入电压噪声:21nV/√Hz
  • 带宽:1.9MHz (G = 1)、60kHz (G = 100)
  • 采用 1nF 容性负载时保持稳定
  • 电源电压范围:
    • 单电源:2.7V 至 36V
    • 双电源:±1.35V 至 ±18 V
  • 额定温度范围:–40°C 至 +125°C
  • 封装:8 引脚 SOIC 和 8 引脚 VSSOP
Number of channels1
Vs (max) (V)36
Vs (min) (V)2.7
Input offset (±) (max) (µV)100
Voltage gain (min) (V/V)1
Voltage gain (max) (V/V)1000
Noise at 1 kHz (typ) (nV√Hz)21
FeaturesCost Optimized, Low power, Overvoltage protection
CMRR (min) (dB)120
Input offset drift (±) (max) (V/°C)0.0000012
Input bias current (±) (max) (nA)8
Iq (typ) (mA)0.18
Bandwidth at min gain (typ) (MHz)1.9
Gain error (±) (max) (%)0.2
Operating temperature range (°C)-40 to 125
RatingCatalog
TypeResistor
Gain nonlinearity (±) (max) (%)0.001
Output swing headroom (to negative supply) (typ) (V)0.15
Output swing headroom (to positive supply) (typ) (V)-0.15
Input common mode headroom (to negative supply) (typ) (V)-0.15
Input common mode headroom (to positive supply) (typ) (V)-1
Noise at 0.1 Hz to 10 Hz (typ) (µVPP)0.4
SOIC (D)829.4 mm² 4.9 x 6
VSSOP (DGK)814.7 mm² 3 x 4.9
产品购买
  • 商品型号
  • 封装
  • 工作温度
  • 包装
  • 价格
  • 现货库存
  • 操作
10s
温馨提示:
订单商品问题请移至我的售后服务提交售后申请,其他需投诉问题可移至我的投诉提交,我们将在第一时间给您答复
返回顶部