h1_key

TI(德州仪器) TPS51125
德州仪器 (TI) 全系列产品在线购买
  • TI(德州仪器) TPS51125
  • TI(德州仪器) TPS51125
  • TI(德州仪器) TPS51125
  • TI(德州仪器) TPS51125
  • TI(德州仪器) TPS51125
  • TI(德州仪器) TPS51125
立即查看
您当前的位置: 首页 > 电源管理 > 直流/直流开关稳压器 > 降压稳压器 > TPS51125
TPS51125

TPS51125

正在供货

具有 100mA LDO 和 Out-of-Audio™ 的 4.5V 至 28V 双通道同步降压控制器

产品详情
  • 说明
  • 特性
  • 参数
  • 封装 | 引脚 | 尺寸

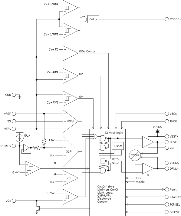
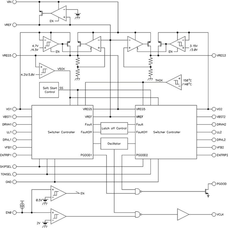
The TPS51125 is a cost-effective, dual-synchronous buck controller targeted for notebook system power supply solutions. The device provides 5-V and 3.3-V LDOs and requires few external components. The 270-kHz VCLK output can be used to drive an external charge pump, thus generating gate drive voltage for the load switches without reducing the efficiency of the main converter. The TPS51125 supports high-efficiency, fast-transient response and provides a combined power-good signal. Out-of-Audio mode light-load operation enables low acoustic noise at much higher efficiency than conventional forced PWM operation. Adaptive on-time D-CAP control provides convenient and efficient operation. The part operates with supply input voltages ranging from 5.5 V to 28 V and supports output voltages from 2 V to 5.5 V. The TPS51125 is available in a 24-pin QFN package and is specified from –40°C to 85°C ambient temperature range.

  • Wide Input Voltage Range: 5.5 V to 28 V
  • Output Voltage Range: 2 V to 5.5 V
  • Built-In 100-mA, 5-V and 3.3-V LDO With Switches
  • Built-In 1% 2-V Reference Output
  • With or Without Out-of-Audio™ Mode Selectable
    Light-Load and PWM-Only Operation
  • Internal 1.6-ms Voltage Servo Soft-Start
  • Adaptive On-Time Control Architecture With Four
    Selectable Frequency Setting
  • 4500 ppm/xC2°C RDS(on) Current Sensing
  • Built-In Output Discharge
  • Powergood Output
  • Built-In OVP/UVP/OCP
  • Thermal Shutdown (Nonlatch)
  • QFN, 24-Pin (RGE)
  • APPLICATIONS
    • Notebook Computers
    • I/O Supplies
    • System Power Supplies

All other trademarks are the property of their respective owners

Vin (min) (V)5.5
Vin (max) (V)28
Vout (min) (V)2
Vout (max) (V)5.5
Iout (max) (A)20
Iq (typ) (mA)0.55
Switching frequency (min) (kHz)200
Switching frequency (max) (kHz)460
FeaturesEnable, Light Load Efficiency, Power good
Operating temperature range (°C)-40 to 85
Regulated outputs (#)2
Number of phases1
RatingCatalog
Control modeD-CAP
TypeController
VQFN (RGE)2416 mm² 4 x 4
产品购买
  • 商品型号
  • 封装
  • 工作温度
  • 包装
  • 价格
  • 现货库存
  • 操作
10s
温馨提示:
订单商品问题请移至我的售后服务提交售后申请,其他需投诉问题可移至我的投诉提交,我们将在第一时间给您答复
返回顶部