h1_key

TI(德州仪器) TPS65161A
德州仪器 (TI) 全系列产品在线购买
  • TI(德州仪器) TPS65161A
  • TI(德州仪器) TPS65161A
  • TI(德州仪器) TPS65161A
  • TI(德州仪器) TPS65161A
  • TI(德州仪器) TPS65161A
  • TI(德州仪器) TPS65161A
立即查看
您当前的位置: 首页 > 电源管理 > LCD 和 OLED 显示电源和驱动器 > TPS65161A
TPS65161A

TPS65161A

正在供货

4 通道 LCD 偏置(3.7A 最小升压电流限制高达 19V,2.3A 最小降压电流限制)

产品详情
  • 说明
  • 特性
  • 参数
  • 封装 | 引脚 | 尺寸

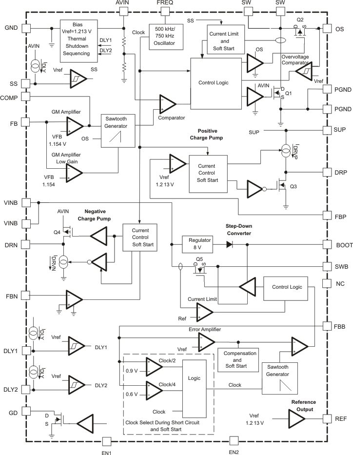
The TPS65161 family offers a compact power supply solution to provide all four voltages required by thin-film transistor (TFT) LCD panels. With their high current capabilities, the devices are ideal for large screen monitor panels and LCD TV applications.

Compared to the TPS65160 and TPS65160A the TPS65161/A/B family of devices offer increased step-down converter output current. The TPS65161B also offers increased charge pump output current, and a higher undervoltage lockout threshold. The devices can be powered from a 12-V input supply and generate the four main supply voltages required by TFT LCD display panels.

Each device comprises a boost converter to generate the source voltage VS, a step-down converter to generate the logic supply V(LOGIC), and regulated positive and negative charge pumps to generate the TFT bias voltages VGH and VGL. Both switching converters and both charge pumps operate from a central clock that can be set to either 750-kHz or 500-kHz by tying the FREQ pin high or low.

The TPS65161/A/B devices feature adjustable power supply sequencing, plus a number of safety features such as boost converter overvoltage protection, buck converter short-circuit protection, and thermal shutdown. The devices also incorporate a gate drive signal to control an external MOSFET isolation switch connected in series with VS or VGH (see the application section at the end of this data sheet for more information).

  • 8-V to 14.7-V Input Voltage Range
  • VS Output Voltage Range up to 19 V
  • TPS65161 has a 2.8-A Switch Current Limit
  • TPS65161A has a 3.7-A Switch Current Limit
  • TPS65161B has a 3.7-A Switch Current Limit and 100-mA
    Charge Pump Output Current
  • 1.5% Accurate 2.3-A Step-Down Converter
  • 500-kHz/750-kHz Fixed Switching Frequency
  • Negative Charge Pump Driver for VGL
  • Positive Charge Pump Driver for VGH
  • Adjustable Sequencing for VGL, VGH
  • Gate Drive Signal to Drive External MOSFET
  • Internal and Adjustable Soft Start
  • Short-Circuit Protection
  • Overvoltage Protection
  • Thermal Shutdown
  • Available in HTSSOP-28 Package
Display typeLCD unipolar
IC integrationLCD bias
Vin (min) (V)8
Vin (max) (V)14.7
Applications13 to 21 inches, 21 inches and above
Source driver voltage (max) (V)19
Level shifter/scan driver (Ch)0
V_NEG (max) (V)-2
FeaturesAdjustable sequencing
TopologyBoost, Buck
RatingCatalog
Operating temperature range (°C)-40 to 85
HTSSOP (PWP)2862.08 mm² 9.7 x 6.4
产品购买
  • 商品型号
  • 封装
  • 工作温度
  • 包装
  • 价格
  • 现货库存
  • 操作
10s
温馨提示:
订单商品问题请移至我的售后服务提交售后申请,其他需投诉问题可移至我的投诉提交,我们将在第一时间给您答复
返回顶部