h1_key

TI(德州仪器) LM3410-Q1
德州仪器 (TI) 全系列产品在线购买
  • TI(德州仪器) LM3410-Q1
  • TI(德州仪器) LM3410-Q1
  • TI(德州仪器) LM3410-Q1
  • TI(德州仪器) LM3410-Q1
  • TI(德州仪器) LM3410-Q1
  • TI(德州仪器) LM3410-Q1
立即查看
您当前的位置: 首页 > 电源管理 > LED 驱动器 > 汽车 LED 驱动器 > LM3410-Q1
LM3410-Q1

LM3410-Q1

正在供货

具有内部补偿的 525kHz/1.6MHz、汽车恒流升压和 SEPIC LED 驱动器

产品详情
  • 说明
  • 特性
  • 参数
  • 封装 | 引脚 | 尺寸

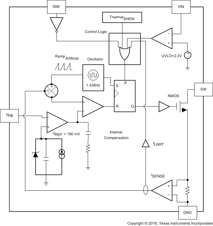
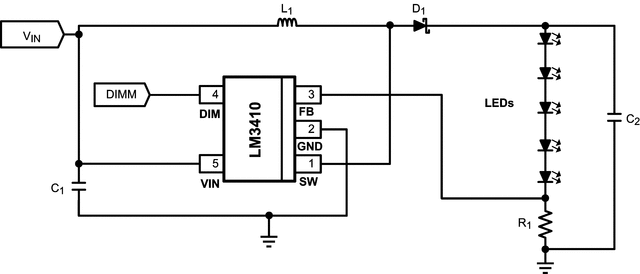
The LM3410 and LM3410-Q1 constant current LED driver are a monolithic, high frequency, PWM DC-DC converter, available in 6-pin WSON, 8-pin MSOP-PowerPad™, and 5-pin SOT-23 packages. With a minimum of external components the LM3410 and LM3410-Q1 are easy to use. It can drive 2.8-A (typical) peak currents with an internal 170-mΩ NMOS switch. Switching frequency is internally set to either 525 kHz or 1.6 MHz, allowing the use of extremely small surface mount inductors and chip capacitors. Even though the operating frequency is high, efficiencies up to 88% are easy to achieve. External shutdown is included, featuring an ultra-low standby current of 80 nA. The LM3410 and LM3410-Q1 use current-mode control and internal compensation to provide high-performance over a wide range of operating conditions. Additional features include PWM dimming, cycle-by-cycle current limit, and thermal shutdown.

  • Qualified for Automotive Applications
  • AEC-Q100 Test Guidance With the Following:
    • Device Temperature Grade 1: –40°C to 125°C Ambient Operating Temperature Range
    • Device HBM ESD Classification Level 2
    • Device CDM ESD Classification Level C6
  • Space-Saving SOT-23 and WSON Packages
  • Input Voltage From 2.7 V to 5.5 V
  • Output Voltage From 3 V to 24 V
  • 2.8-A (Typical) Switch Current Limit
  • High Switching Frequency
    • 525 KHz (LM3410Y)
    • 1.6 MHz (LM3410X)
  • 170-mΩ NMOS Switch
  • 190-mV Internal Voltage Reference
  • Internal Soft Start
  • Current-Mode, PWM Operation
  • Thermal Shutdown
Number of channels1
TopologyBoost, SEPIC
RatingAutomotive
Operating temperature range (°C)-40 to 125
Vin (min) (V)2.7
Vin (max) (V)5.5
Vout (min) (V)3
Vout (max) (V)24
Iout (max) (A)1.5
Iq (typ) (mA)3.4
Switching frequency (max) (kHz)525
FeaturesEnable/Shutdown, Integrated Switch, Soft Start, Thermal shutdown
SOT-23 (DBV)58.12 mm² 2.9 x 2.8
产品购买
  • 商品型号
  • 封装
  • 工作温度
  • 包装
  • 价格
  • 现货库存
  • 操作
10s
温馨提示:
订单商品问题请移至我的售后服务提交售后申请,其他需投诉问题可移至我的投诉提交,我们将在第一时间给您答复
返回顶部