h1_key

TI(德州仪器) TPS65053
德州仪器 (TI) 全系列产品在线购买
  • TI(德州仪器) TPS65053
  • TI(德州仪器) TPS65053
  • TI(德州仪器) TPS65053
  • TI(德州仪器) TPS65053
  • TI(德州仪器) TPS65053
  • TI(德州仪器) TPS65053
立即查看
您当前的位置: 首页 > 电源管理 > 多通道 IC (PMIC) > TPS65053
TPS65053

TPS65053

正在供货

具有 2 个直流/直流转换器和 3 个 LDO 的可配置集成电源管理 (PMIC)

产品详情
  • 说明
  • 特性
  • 参数
  • 封装 | 引脚 | 尺寸

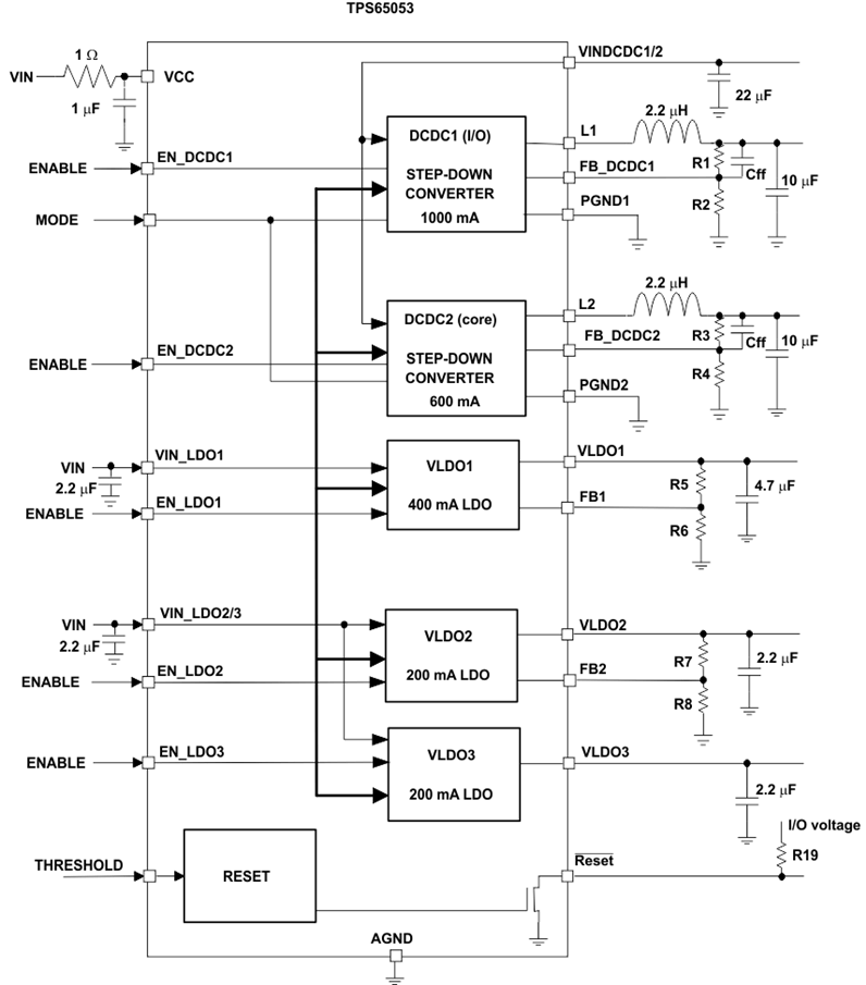
The TPS6505xx family of devices are integrated power management ICs for applications powered by one Li-Ion or Li-Polymer cell, which require multiple power rails. The TPS6505xx devices provide two highly efficient, 2.25-MHz step-down converters targeted at providing the core voltage and I/O voltage in a processor-based system. Both step-down converters enter a low power mode at light load for maximum efficiency across the widest possible range of load currents. For low noise applications the devices can be forced into fixed frequency PWM mode by pulling the MODE pin high. The TPS6505xx devices also integrate one 400-mA LDO and two 200-mA LDO voltage regulators. Each LDO operates with an input voltage range between 1.5 V and 6.5 V allowing them to be supplied from one of the step-down converters or directly from the main battery.

  • Up To 95% Efficiency
  • Output Current for DC-DC Converters:
    • TPS65053: DCDC1 = 1 A; DCDC2 = 0.6 A
    • TPS650531, TPS650532: DCDC1 = 1 A;
      DCDC2 = 1 A
    • TPS65058: DCDC1 = 0.6 A; DCDC2 = 1 A
  • TPS65053, TPS650531, TPS650532: DC-DC Converters
    Externally Adjustable
  • TPS65058: DCDC1 Fixed at 3.3V, DCDC2 selectable
    between 1.8V and 1.2V with Dynamic Voltage
    Scaling for Core Processor Supply
  • VIN Range for DC-DC Converters
    From 2.5 V to 6 V
  • 2.25-MHz Fixed Frequency Operation
  • Power Save Mode at Light Load Current
  • 180° Out-of-Phase Operation
  • Output Voltage Accuracy in PWM Mode ±1%
  • Total Typical 32-µA Quiescent Current for
    Both DC-DC Converters
  • 100% Duty Cycle for Lowest Dropout
  • One General-Purpose 400-mA LDO
  • Two General-Purpose 200-mA LDOs
  • VIN Range for LDOs from 1.5 V
    to 6.5 V
  • Output Voltage for LDOs:
    • TPS65053 / TPS650531 / TPS650532: VLDO1 and
      VLDO2 Externally Adjustable, VLDO3 = 1.3 V /
      1.2 V / 1.5 V
    • TPS65058: VLDO1 = 3.3 V, VLDO2 selectable
      between 1.8V and 1.2V, VLDO2 selectable
      between 1.8V and 1.3V
Regulated outputs (#)5
ConfigurabilityHardware configurable
Vin (min) (V)1.5
Vin (max) (V)6.5
Iout (max) (A)1
FeaturesI2C control
Step-up DC/DC converter0
Step-down DC/DC converter2
Step-down DC/DC controller0
Step-up DC/DC controller0
LDO3
Iq (typ) (mA)0.02
RatingCatalog
Switching frequency (max) (kHz)2475
Operating temperature range (°C)-40 to 85
Processor supplierNXP/Freescale, Texas Instruments
Processor nameDM35x, i.MX27
Shutdown current (ISD) (typ) (µA)9
Switching frequency (typ) (kHz)2250
VQFN (RGE)2416 mm² 4 x 4
产品购买
  • 商品型号
  • 封装
  • 工作温度
  • 包装
  • 价格
  • 现货库存
  • 操作
10s
温馨提示:
订单商品问题请移至我的售后服务提交售后申请,其他需投诉问题可移至我的投诉提交,我们将在第一时间给您答复
返回顶部