h1_key

TI(德州仪器) LP5522
德州仪器 (TI) 全系列产品在线购买
  • TI(德州仪器) LP5522
  • TI(德州仪器) LP5522
  • TI(德州仪器) LP5522
  • TI(德州仪器) LP5522
  • TI(德州仪器) LP5522
  • TI(德州仪器) LP5522
立即查看
您当前的位置: 首页 > 电源管理 > LED 驱动器 > RGB LED 驱动器 > LP5522
LP5522

LP5522

正在供货

单通道可编程 LED 驱动器

产品详情
  • 说明
  • 特性
  • 参数
  • 封装 | 引脚 | 尺寸

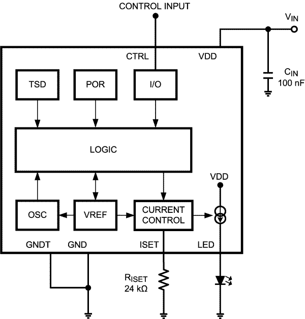
The LP5522 is a simple single wire programmable LED controller in six bump DSBGA package. It provides constant current flow through high side driver. Output current can be set from 1 mA to 20 mA by using an external resistor on the ISET pin. If no external resistor is used, output current is set to 5 mA default current. The LP5522 is controlled using only one signal. The signal controls either directly the LED driver or it launches previously programmed blinking sequence.

The LP5522 works autonomously without a clock signal from the master device. Very low LED driver headroom voltage makes possible to use supply voltages close to LED forward voltage. Current consumption of the LP5522 is minimized when LED is turned off and once controller is disabled all supporting functions are also shut down. Very small DSBGA package together with minimum number of external components is a best fit for handheld devices.

  • Programmable Blinking Sequence
    • 1 to 3 Programmable Pulses
    • 1 ms to 255 ms LED on Time
    • 10 ms to 2500 ms LED Off Time
    • Single or Continuous Run of Programmed Blinking Sequence
  • Constant Current High Side Output Driver
  • Adjustable Current with External Resistor
  • 0.2 µA Typical Shutdown Current
  • Autonomous Operation without External Clock
  • DSBGA-6 Package with 0.4 mm Pitch:
    • 1.215 mm x 0.815 mm x 0.6 mm (LxWxH)

All trademarks are the property of their respective owners.

Number of channels1
LED current per channel (mA)20
LED configurationSingle
Program memoryYes
TopologyLinear
Programmable ramp controlNo
Vin (min) (V)2.7
Vin (max) (V)5.5
Iout (max) (A)0.02
FeaturesConstant current, GPIO interface
Iq (typ) (mA)0.04
Shutdown current (ISD) (typ) (µA)0.2
Operating temperature range (°C)-30 to 85
RatingCatalog
DSBGA (YFQ)61.4000000000000001 mm² 1.4000000000000001 x 1
产品购买
  • 商品型号
  • 封装
  • 工作温度
  • 包装
  • 价格
  • 现货库存
  • 操作
10s
温馨提示:
订单商品问题请移至我的售后服务提交售后申请,其他需投诉问题可移至我的投诉提交,我们将在第一时间给您答复
返回顶部