h1_key

TI(德州仪器) LP5524
德州仪器 (TI) 全系列产品在线购买
  • TI(德州仪器) LP5524
  • TI(德州仪器) LP5524
  • TI(德州仪器) LP5524
  • TI(德州仪器) LP5524
  • TI(德州仪器) LP5524
  • TI(德州仪器) LP5524
立即查看
您当前的位置: 首页 > 电源管理 > LED 驱动器 > RGB LED 驱动器 > LP5524
LP5524

LP5524

正在供货

具有双通道 PWM 亮度控制功能的 4 通道 LED 驱动器

产品详情
  • 说明
  • 特性
  • 参数
  • 封装 | 引脚 | 尺寸

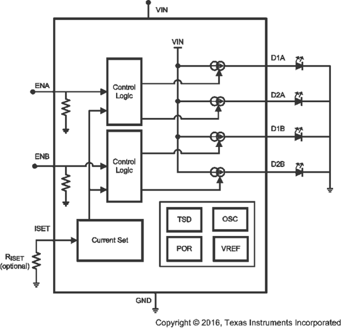
The LP5524 device is a highly integrated dual-zone LED driver that can drive up to four LEDs in parallel with a total output current of 100 mA. Regulated high-side internal current sources deliver excellent current and brightness matching in all LEDs.

The LP5524 provides overcurrent protection and pulse-width modulation (PWM) control of four indicator LEDs without the need for external components.

LED driver current sources are split into two independently controlled banks for driving secondary displays, keypad and indicator LEDs. Brightness control is achieved by applying PWM signals to each enable pin. Default LED current is factory-programmable and an optional external resistor can be used to set LED current to user programmable values.

The LP5524 is available in a tiny, 9-pin, thin DSBGA package.

For all available packages, see the orderable addendum at the end of the data sheet.

  • Wide Input Voltage Range: 2.7 V to 5.5 V
  • High-Side LED Driver
  • Drives Four LEDs With up to 25 mA per LED
  • 0.4% Typical Current Matching
  • PWM Brightness Control
  • Overcurrent Protection
  • Fast Transient Response
  • Optional External ISET Resistor
  • Ultra-Small Solution Size:
    • No External Components
    • 9-Pin DSBGA Package with 0.4-mm pitch:
      • 1.24 mm × 1.24 mm × 0.6 mm (L × W × H, maximum)
Number of channels4
LED current per channel (mA)25
LED configurationParallel
Program memoryNo
TopologyLinear
Programmable ramp controlNo
Vin (min) (V)2.7
Vin (max) (V)5.5
Iout (max) (A)0.1
FeaturesGPIO interface
Iq (typ) (mA)0.17
Shutdown current (ISD) (typ) (µA)0.2
Operating temperature range (°C)-40 to 85
RatingCatalog
DSBGA (YFQ)91.96000000000000028000000000000001 mm² 1.4000000000000001 x 1.4000000000000001
产品购买
  • 商品型号
  • 封装
  • 工作温度
  • 包装
  • 价格
  • 现货库存
  • 操作
10s
温馨提示:
订单商品问题请移至我的售后服务提交售后申请,其他需投诉问题可移至我的投诉提交,我们将在第一时间给您答复
返回顶部