h1_key

TI(德州仪器) LM3151
德州仪器 (TI) 全系列产品在线购买
  • TI(德州仪器) LM3151
  • TI(德州仪器) LM3151
  • TI(德州仪器) LM3151
  • TI(德州仪器) LM3151
  • TI(德州仪器) LM3151
  • TI(德州仪器) LM3151
立即查看
您当前的位置: 首页 > 电源管理 > 直流/直流开关稳压器 > 降压稳压器 > LM3151
LM3151

LM3151

正在供货

具有 3.3V 输出和可调开关频率的 42V 同步降压控制器

产品详情
  • 说明
  • 特性
  • 参数
  • 封装 | 引脚 | 尺寸

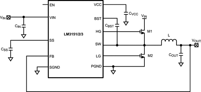
LM3151/2/3 SIMPLE SWITCHER® 控制器是一款简单易用,且可在典型应用中提供达12A输出电流的简易降压电源控制器。工 作输入电压范围为6V-42V 的LM3151/2/3可输出固定的 3.3V电压及 250 kHz、 500 kHz 和 750 kHz开关频率。同步架构提供了 更高效的设计。具有已注册专利的仿纹波模式(ERM)控制技术的LM3151/2/3控制器采用固定导通时间(COT)结构,可使用低等效 串联电阻(ESR)输出电容器,从而降低了整体设计方案尺寸和输出电压纹波。固定导通时间(COT)调节结构具有特快的瞬态响应,且 无需外置环路补偿,有助于减少外置元件数和降低设计复杂性。故障保护特性,比如热关断、欠电压锁定、过电压保护、短路保 护、电流限制以及输出电压预偏压启动使一种可靠且稳定的解决方案得以实现。

LM3151/2/3 SIMPLE SWITCHER® 方案使用最少外置元件数和美国国家半导体的WEBENCH®网上设计工具来完成整套易用设 计。WEBENCH®为每步设计过程提供设计支持,包括使用新的MOSFET 选择器进行外置元件计算、电气模拟、热模拟和建模板等。

  • PowerWise®降压控制器
  • 6V至42V宽输入电压范围
  • 固定的输出电压3.3V
  • 固定的开关频率: 250 kHz、 500 kHz 和 750 kHz
  • 无需外置环路补偿
  • 完全WEBENCH®适用
  • 最少外置元件数
  • 固定导通时间控制
  • 超快瞬态响应
  • 稳定兼容于低ESR电容器
  • 输出电压预偏压启动
  • 谷值电流限制
  • 可编程软启动
Vin (min) (V)6
Vin (max) (V)42
Vout (min) (V)3.3
Vout (max) (V)3.3
Iout (max) (A)12
Iq (typ) (mA)3.6
Switching frequency (min) (kHz)250
Switching frequency (max) (kHz)250
FeaturesEnable, Synchronous Rectification, Tracking
Operating temperature range (°C)-40 to 125
Regulated outputs (#)1
Number of phases1
RatingCatalog
Control modeCOT with emulated ripple
TypeController
HTSSOP (PWP)1432 mm² 5 x 6.4
产品购买
  • 商品型号
  • 封装
  • 工作温度
  • 包装
  • 价格
  • 现货库存
  • 操作
10s
温馨提示:
订单商品问题请移至我的售后服务提交售后申请,其他需投诉问题可移至我的投诉提交,我们将在第一时间给您答复
返回顶部